Supply + line + EHT Stages
Focus + G2 + E/W Correction - FRAME Deflection.
Signal Stages (Chroma + Luma + Sound + RGB + Synch + IF + RF Tuner)
St By Supply (On the left of the wooden cabinet.)
Line deflection output transistor (BU208A) (Telefunken).
BU208(A)
Silicon NPN
npn transistors,pnp transistors,transistors
Category: NPN Transistor, Transistor
MHz: <1 MHz
Amps: 5A
Volts: 1500V
HIGH VOLTAGE CAPABILITY
JEDEC TO-3 METAL CASE.
DESCRIPTION
The BU208A, BU508A and BU508AFI are
manufactured using Multiepitaxial Mesa
technology for cost-effective high performance
and use a Hollow Emitter structure to enhance
switching speeds.
APPLICATIONS:
* HORIZONTAL DEFLECTION FOR COLOUR TV With 110° or even 90° degree of deflection angle.
ABSOLUTE MAXIMUM RATINGS
Symbol Parameter Value Unit
VCES Collector-Emit ter Voltage (VBE = 0) 1500 V
VCEO Collector-Emit ter Voltage (IB = 0) 700 V
VEBO Emitter-Base Voltage (IC = 0) 10 V
IC Collector Current 8 A
ICM Collector Peak Current (tp < 5 ms) 15 A
TO - 3 TO - 218 ISOWATT218
Ptot Total Dissipation at Tc = 25 oC 150 125 50 W
Tstg Storage Temperature -65 to 175 -65 to 150 -65 to 150 oC
Tj Max. Operating Junction Temperature 175 150 150 °C
The Philips KT3 and K30 K35 chassis have been used in Pye and Philips colour sets from 1979-1980 to 1983. They are of modular construction, consisting of seven plug-in daughter boards units mounted on a main mother panel. The KT3 is designed to drive Philips 90° in -line gun tubes with screen sizes up to 20in. Its big screen sister, the K30, drives 110° 30AX tubes in 22 and 26in. screen sizes. Apart from this the two chassis are electrically very similar, the main differences being associated with the line output stage: the KT3 uses a line output transformer plus tripler powered from a 129V h.t. rail, whilst the K30 has a diode -split line output transformer and 140V h.t. rail. The modules are for the most part directly interchangeable, the exceptions being the chopper control and sound panels. There have been two versions of each chassis. The 1982 versions are known as "edition II". They incorporate slight changes in the mother panel and a completely redesigned decoder panel which is not interchangeable with the earlier panel. The new decoder panel has a single PHILIPS TDA3560 chip whilst the earlier panel uses a TDA2560Q and a TDA2523Q. In addition an improved power supply (chopper control) panel, type BY02, has been introduced. It's a direct replacement for the previous panels. To service a panel "in situ", a module extension board is required (part number 39537085). The KT3 and K30 chassis have proved to be extremely reliable, so there's only a limited fault history. Our experiences to date are summarised below.
Random Tripping;
Because of the high sensitivity of the power supply, look for dry joints etc. rather than a faulty component. Usual causes are as follows. Incorrect h.t. setting - the h.t. can be conveniently measured at pins 2 or 4 of the line scan coils connector M5. The e.h.t. lead not being pushed hom
e
fully into the line output transformer (K30 chassis only). Dirt or
grease (e.g. cigarette tarnish) around the e.h.t. cap, focus unit or the
printed c.r.t. spark gaps - clean with a suitable solvent, e.g. alcool.
If necessary, carry out the following modifications: change R7354 from
27042 to 56052 (at the same time, if there's a resistor in parallel with
R1461, remove it); fit (if not there already) an 0.1μF capacitor
(C7337) between pin 12 of IC7322 (TDA2581Q) and the base of T7336
(BC558).Tripping:
If the set trips three minutes after switching on, check the efficiency diode (D1464) in the chopper circuit. It should be type BY208 in the KT3 chassis and type BYX55-600 in the K30. If it's running warm or of incorrect type, replace it. If there's permanent tripping (ticking), disconnect the line scan connector M5 to isolate the line output stage. If the tripping stops and the h.t. is correct, check the tripler (KT3), the line output transistor T1562 (BU205 KT3, BU208A K30), and the EW modulator diodes D1562 and D1567. D1567 is type BY228 in both chassis; D1562 is type BY208 in the KT3, type BYX55-600 in the K30. If necessary check the line output transformer. If the tripping persists with M5 disconnected, i.e. the h.t. voltage is varying, the fault is in the power supply Check the chopper transistor T1463 (BUW84 KT3, BU426V K30), the efficiency diode D1464 (see above) and the chopper control panel by substitution.
Dead Set:
If the fuses have blown, replace the BY227 bridge rectifier diodes D6292/4/5/6 and of course the fuses - 2A delay types. If some 300V is present across the bridge rectifier's reservoir capacitor C1460a (part of the electrolytic can C1460a/b/c), check the h.t. at C1460c. If the reading is 300V, the chopper transistor T1463 is short-circuit. If the reading is zero, either the chopper transistor is duff or it's not being switched on. In the latter event, check first whether the 12V output from the rectifier panel is present at point 10 on this panel - or is less than 9V. If this supply is correct and is reaching point 12 on the chopper control panel, the latter is faulty. The usual offenders on the chopper control panel are the 6.8V zener diode D7343 (type BZX79-B6V8 - check for 6.8V at pin 10 of the i.c.) and the TDA2581Q chip itself (IC7322). If necessary carry out cold resistance component checks. The TDA2581Q chip provides protection under the following conditions: voltage at pin 7 higher than 6.8V (over -voltage protection); the pulse amplitude at pin 6 exceeds -0.6V (excess -current protection); voltage at pin 9 less than 9V (low i.c. supply); voltage at pin 10 exceeds 8.2V (excessive reference voltage, i.e. the zener diode D7343 is open -circuit); the voltage at pin 5 is 5V (this is the stand-by facility).
No Raster:
Check whether the orange plug has dropped off the focus unit (K30 only). In both the KT3 and the K30 chassis, the c.r.t.'s first anode supply/supplies are derived from the earthy side of the 24Mi2 focus potentiometer. Check whether the surge limiter R1590 in the 30/32V supply is open -circuit. This line output transformer derived supply is used by the field driver and output stages. It also biases off the field flyback blanking transistor T1535 (BC558) during the field scan, so its absence leaves this transistor hard on and no raster. Field Collapse If the 30/32V supply is missing (30V in the KT3 chassis, 32V in the K30), it's usually necessary to replace the surge limiter resistor R1590 (3.352 KT3, 1.2(1 K30), the two transistors in the field output stage, and their emitter resistors R1531/2. The resistors are 0.5W safety types, value 1.5n. The transistors are BD223/BD234 (T1530/T1532) in the KT3, BD437/BD438 (T1530/T1532) in the K30. Also check the field scan coupling capacitor C1521 (470μF KT3, 1500μF K30). Other causes of field collapse (30/32V supply o.k.) are cracks in the print around the edge of the mother board near the field driver and output stages or a faulty field oscillator (this is on the sync panel).
Field Linearity:
If poor, check by replacement the following feedback capacitors: C1522 (220μF) and C1541 (0.056μF). Check whether the feedback resistor R1502 is open -circuit (1551, 0.25W safety type).
Sync Faults:

In the event of a rolling picture, replace all four transistors on the sync panel - T8386 (BC548), T8392 (BC548B), T8397 (BC558) and T8396 (BC548C). Only when the line sync is also poor is the TDA2571AQ sync i.c. suspect. Teletext Sets On teletext (Mk. II) KT3 and K30 K35 sets the teletext power panel at the base of the cabinet seems to be vulnerable to transit damage - you can get badly cracked panels. Failure of the 5V regulator IC1007 (MC7805CT) that supplies the teletext decoder panel results in complete loss of sync.
No Sound:
Make sure the customer hasn't switched off the loudspeaker - a muting switch is fitted on the front in most sets. Next check whether the supply is present at point 12 on the sound module. This is 20V in the KT3, 28V in the K30, and comes from a chopper transformer fed rectifier on the bridge rectifier panel. If the supply is absent, check R1413 (4 .71/ KT3, 8.252K30) and if necessary R6303 (2.2(1) on the bridge rectifier panel. Failure of these resistors is almost always due to a duff TDA2611AQ audio output i.c. (IC5181). If the supply is present, apply a signal (your finger on a screwdriver blade will do) at pin 7 of IC5181. If a hum is heard, the audio i.c. is o.k. and the most likely culprit is the TBA120AS intercarrier sound i.c. (IC5164).
Tone sound Sibilanc
e:Some customers complain that their sets suffer from excessive treble/sibilance, particularly those fitted with the KT3 chassis. This is not a fault in itself, but an improvement can be obtained by increasing the value of the de emphasis capacitor C5177 to 0.039μF as in production.
The Cabinet:
I've always found it best and safest to glue the front surround to the cabinet and use a sufficient quantity of self -tapping or wood screws of suitable length.
White Raster:
If there's a flooded white raster with the brightness and contrast controls having no effect, you will probably find that the 155V line filter resistor 81456 (1000 safety) is open -circuit due to a short-circuit transistor in one of the RGB output stages. Use cold resistance checks on the RGB panel as the voltage readings obtained are often confusing, then replace as necessary. In the edition II version of the KT3 R1456 becomes R1587. never more than a quarter of a turn.
No problems have been experienced with the i.f. module to date except for over aged capacitors which barely fail.
Poor HF Resolution:
If the picture is not as sharp as it could be, a fractional adjustment of the tuner's i.f. output coil is required
Tuner:
The U321 tuner unit should be replaced if the fault is low gain, cross modulation, etc.
PHILIPS 20C933 DE PISIS CHASSIS KT3 PCB Viewing.
8222 280 2080.4
8222 280 2081.4
31221233448.0
CIRCUIT ARRANGEMENT IN A PICTURE DISPLAY DEVICE UTILIZING A STABILIZED SUPPLY VOLTAGE CIRCUIT:
Line synchronized switch mode power supply:
A stabilized supply voltage circuit for a picture display device comprising a chopper wherein the switching signal has the line frequency and is duration-modulated. The coil of the chopper constitutes the primary winding of a transformer a secondary winding of which drives the line output transistor so that the switching transistor of the chopper also functions as a driver for the line output stage. The oscillator generating the switching signal may be the line oscillator. In a special embodiment the driver and line output transistor conduct simultaneously and in order to limit the base current of the line output transistor a coil shunted by a diode is incorporated in the drive line of the line output transistor. Other secondary windings of the transformer drive diodes which conduct simultaneously with the efficiency diode of the chopper so as to generate further stabilized supply voltages.
Such a circuit arrangement is known from German "Auslegeschr
ift" 1.293.304. wherein a circuit arrangement is described
which has for its object to convert an input direct voltage which is
generated between two terminals into a different direct voltage. The
circuit employs a switch connected to the first terminal of the input
voltage and periodically opens and closes so that the input voltage is
converted into a pulsatory voltage. This pulsatory voltage is then
applied to a coil. A diode is arranged between the junction of the
switch and the coil and the second terminal of the input voltage whilst a
load and a charge capacitor in parallel thereto are arranged between
the other end of the coil and the second terminal of the input voltage.
The assembly operates in accordance with the known efficiency principle
i.e., the current supplied to the load flows alternately through the
switch and through the diode. The function of the switch is performed by
a switching transistor which is driven by a periodical pulsatory
voltage which saturates this transistor for a given part of the period.
Such a configuration is known under different names in the literature;
it will be referred to herein as a "chopper." A known advantage thereof,
is that the switching transistor must be able to stand a high voltage
or provide a great current but it need not dissipate a great power. The
output voltage of the chopper is compared with a constant reference
voltage. If the output voltage attempts to vary because the input
voltage and/or the load varies, a voltage causing a duration modulation
of the pulses is produced at the output of the comparison arrangement.
As a result the quantity of the energy stored in the coil varies and the
output voltage is maintained constant. In the German "Auslegeschrift"
referred to it is therefore an object to provide a stabilized supply
voltage device.
In the circuit arrangement according to the mentioned German "Auslegeschrift" the frequency of the load variations or a harmonic thereof is chosen as the frequency for the switching voltage. Particularly when the load fed by the chopper is the line deflection circuit of a picture display device, wherein thus the impedance of the load varies in the rhythm of the line frequency, the frequency of the switching voltage is equal to or is a multiple of the line frequency.
It
is to be noted that the chopper need not necessarily be formed as that
in the mentioned German "Auslegeschrift." In fact, it is known from
literature that the efficiency diode and the coil may be exchanged. It
is alternatively possible for the coil to be provided at the first
terminal of the input voltage whilst the switching transistor is
arranged between the other end and the second terminal of the input
voltage. The efficiency diode is then provided between the junction of
said end and the switching transistor and the load. It may be recognized
that for all these modifications a voltage is present across the
connections of the coil which voltage has the same frequency and the
same shape as the pulsatory switching voltage. The control voltage of a
line deflection circuit is a pulsatory voltage which causes the line
output transistor to be saturates and cut off alternately. The invention
is based on the recognition that the voltage present across the
connections of the coil is suitable to function as such a control
voltage and that the coil constitutes the primary of a transformer. To
this end the circuit arrangement according to the invention is
characterized in that a secondary winding of the transformer drives the
switching element which applies a line deflection current to line
deflection coils and by which the voltage for the final anode of a
picture display tube which forms part of the picture display device is
generated, and that the ratio between the period during which the
switching transistor is saturated and the entire period, i.e., the
switching transistor duty cycle is between 0.3 and 0.7 during normal
operation.
The invention is also based on the recognition that the duration modulation which is necessary to stabilize the supply voltage with the switching transistor does not exert influence on the driving of the line output transistor. This resides in the fact that in case of a longer or shorter cut-off period of the line output transistor the current flowing through the line deflection coils thereof is not influenced because of the efficiency diode current and transistor current are taken over or, in case of a special kind of transistor, the collector-emitter current is taken over by the base collector current and conversely. However, in that case the above-mentioned ratios of 0.3 : 0.7 should be taken into account since otherwise this take-over principle is jeopardized.
As will be further explained the use of the switching transistor as a driver for the line output transistor in an embodiment to be especially described hereinafter has the further advantage that the line output transistor automatically becomes non-conductive when this switching transistor is short circuited so that the deflection and the EHT for the display tube drop out and thus avoid damage thereof.

Due to the step according to the invention the switching transistor in the stabilized supply functions as a driver for the line deflection circuit. The circuit arrangement according to the invention may in addition be equipped with a very efficient safety circuit so that the reliability is considerably enhanced, which is described in the U.S. Pat. No. 3,629,686. The invention is furthermore based on the recognition of the fact that the pulsatory voltage present across the connections of the coil is furthermore used and to this end the circuit arrangement according to the invention is characterized in that secondary windings of the transformer drive diodes which conduct simultaneously with the efficiency diode so as to generate further stabilized direct voltages, one end of said diodes being connected to ground.
In order that the invention may be readily carried into effect, a few embodiments thereof will now be described in detail by way of example with reference to the accompanying diagrammatic drawings in which:
FIG. 1 shows a principle circuit diagram wherein the chopper and the line deflection circuit are further shown but other circuits are not further shown.
FIGS. 2a, 2b and 2c show the variation as a function of time of two currents and of a voltage occurring in the circuit arrangement according to FIG. 1.
FIGS. 3a 3b, 3c and 3d show other embodiments of the chopper.
FIGS. 4a and 4b show modifications of part of the circuit arrangement of FIG. 1.
In
FIG. 1 the reference numeral 1 denotes a rectifier circuit which
converts the mains voltage supplied thereto into a non-stabilized direct
voltage. The collector of a switching transistor 2 is connected to one
of the two terminals between which this direct voltage is obtained, said
transistor being of the npn-type in this embodiment and the base of
which receives a pulsatory voltage which originates through a control
stage 4 from a modulator 5 and causes transistor 2 to be saturated and
cut off alternately. The voltage waveform 3 is produced at the emitter
of transistor 2. In order to maintain the output voltage of the circuit
arrangement constant, the duration of the pulses provided is varied in
modulator 5. A pulse oscillator 6 supplies the pulsatory voltage to
modulator 5 and is synchronized by a signal of line frequency which
originates from the line oscillator 6' present in the picture display
device. This line oscillator 6' is in turn directly synchronized in
known manner by pulses 7' of line frequency which are present in the
device and originate for example from a received television signal if
the picture display device is a television receiver. Pulse oscillator 6
thus generates a pulsatory voltage the repetition frequency of which is
the line frequency.
The emitter of switching transistor 2 is connected at one end to the cathode of an efficiency diode 7 whose other end is connected to the second input voltage terminal and at the other end to primary winding 8 of a transformer 9. Pulsatory voltage 3 which is produced at the cathode of efficiency diode 7 is clamped against the potential of said second terminal during the intervals when this diode conducts. During the other intervals the pulsatory voltage 3 assumes the value V i . A charge capacitor 10 and a load 11 are arranged between the other end of winding 8 and the second input voltage terminal. The elements 2,7,8,10 and 11 constitute a so-called chopper producing a direct voltage across charge capacitor 10, provided that capacitor 10 has a sufficiently great value for the line frequency and the current applied to load 11 flowing alternately through switching transistor 2 or through efficiency diode 7. The output voltage V o which is the direct voltage produced across charge capacitor 10 is applied to a comparison circuit 12 which compares the voltage V o with a reference voltage. Comparison circuit 12 generates a direct voltage which is applied to modulator 5 so that the duration of the effective period δ T of switching transistor 2 relative to the period T of pulses 3 varies as a function of the variations of output voltage V 0 . In fact, it is readily evident that output voltage V o is proportional to the ratio δ :
V o = V i . δ
Load 11 of the chopper consists in the consumption of parts of the picture display device which are fed by output voltage V 0 . In a practical embodiment of the circuit arrangement according to FIG. 1 wherein the mains alternating voltage has a nominal effective value of 220 V and the rectified voltage V i is approximately 270 V, output voltage V o for δ = 0.5 is approximately 135 V. This makes it also possible, for example, to feed a line deflection circuit as is shown in FIG. 1 wherein load 11 then represents different parts which are fed by the chopper. Since voltage V o is maintained constant due to pulse duration modulation, the supply voltage of this line deflection circuit remains constant with the favorable result that the line amplitude(= the width of the picture displayed on the screen of the picture display tube) likewise remains constant as well as the EHT required for the final anode of the picture display tube in the same circuit arrangement independent of the variations in the mains voltage and the load on the EHT generator (= variations in brightness).
However,
variations in the line amplitude and the EHT may occur as a result of
an insufficiently small internal impedance of the EHT generator.
Compensation means are known for this purpose. A possibility within the
scope of the present invention is to use comparison circuit 12 for this
purpose. In fact, if the beam current passes through an element having a
substantially quadratic characteristic, for example, a
voltage-dependent resistor, then a variation for voltage V o
may be obtained through comparison circuit 12 which variation is
proportional to the root of the variation in the EHT which is a known
condition for the line amplitude to remain constant.
In addition this facilitates smoothing of voltage V o since the repetition frequency of pulsatory voltage 3 is many times higher than that of the mains and a comparatively small value may be sufficient for charge capacitor 10. If charge capacitor 10 has a sufficiently high value for the line frequency, voltage V o is indeed a direct voltage so that a voltage having the same form as pulsatory voltage 3 is produced across the terminals of primary winding 8. Thus voltages which have the same shape as pulsatory voltage 3 but have a greater or smaller amplitude are produced across secondary windings 13, 14 of transformer 9 (FIG. 1 shows only 2 secondary windings but there may be more). The invention is based on the recognition that one end of each secondary winding is connected to earth while the other end thereof drives a diode, the winding sense of each winding and the direction of conductance of each diode being chosen to be such that these diodes conduct during the same period as does efficiency diode 7. After smoothing, stabilized supply voltages, for example, at terminal 15 are generated in this manner at the amplitudes and polarities required for the circuit arrangements present in the picture display device. In FIG. 1 the voltage generated at terminal 15 is, for example, positive relative to earth. It is to be noted that the load currents of the supply voltages obtained in this manner cause a reduction of the switching power which is economized by efficiency diode 7. The sum of all diode currents including that of diode 7 is in fact equal to the current which would flow through diode 7 if no secondary winding were wound on transformer 9 and if no simultaneous diode were used. This reduction may be considered an additional advantage of the circuit arrangement according to the invention, for a diode suitable for smaller powers may then be used. However, it will be evident that the overall secondary load must not exceed the primary load since otherwise there is the risk of efficiency diode 7 being blocked so that stabilization of the secondary supply voltages would be out of the question.
It is to be noted that a parabola voltage of line frequency as shown at 28 is produced across the charge capacitor 10 if this capacitor is given a smaller capacitance so that consequently the so-called S-correction is established.
In FIG. 1 charge capacitors are arranged between terminals 15 etc. and earth so as to ensure that the voltages on these points are stabilized direct voltages. If in addition the mean value of the voltage on one of these terminals has been made equal to the effective value of the alternating voltage which is required for heating the filament of the picture display tube present in the picture display device, this voltage is suitable for this heating. This is a further advantage of the invention since the cheap generation of a stabilized filament voltage for the picture display tube has always been a difficult problem in transistorized arrangements.
A further advantage of the picture display device according to the invention is that transformer 9 can function as a separation transformer so that the different secondary windings can be separated from the mains and their lower ends can be connected to ground of the picture display device. The latter step makes it possible to connect a different apparatus such as, for example, a magnetic recording and/or playback apparatus to the picture display device without earth connection problems occurring.
In FIG. 1 the reference numeral 14 denotes a secondary winding of transformer 9 which in accordance with the previously mentioned recognition of the invention can drive line output transistor 16 of the line deflection circuit 17. Line deflection circuit 17 which is shown in a simplified form in FIG. 1 includes inter alia line deflection coils 18 and an EHT transformer 19 a secondary winding 20 of which serves for generating the EHT required for the acceleration anode of the picture display tube. Line deflection circuit 17 is fed by the output voltage V o of the chopper which voltage is stabilized due to the pulse duration modulation with all previously mentioned advantages. Line deflection circuit 17 corresponds, for example, to similar arrangements which have been described in U.S. Pat. No. 3,504,224 issued Mar. 31, 1970 to J.J. Reichgelt et al., U.S. patent application Ser. No. 737,009 filed June 14, 1968 by W. H. Hetterscheid and U.S. application Ser. No. 26,497 filed April 8, 1970 by W. Hetterscheid et al. It will be evident that differently formed lined deflection circuits are alternatively possible.

It will now be shown that secondary winding 14 can indeed drive a line deflection circuit so that switching transistor 2 can function as a driver for the line deflection. FIGS. 2a and b show the variation as a function of time of the current i C which flows in the collector of transistor 16 and of the drive voltage v 14 across the terminals of secondary winding 14. During the flyback period (0, t 1 ) transistor 16 must be fully cut off because a high voltage peak is then produced at its collector; voltage v 14 must then be absolutely negative. During the scan period (t 1 , t 4 ) a sawtooth current i C flows through the collector electrode of transistor 16 which current is first negative and then changes its direction. As the circuit arrangement is not free from loss, the instant t 3 when current i C becomes zero lies, as is known, before the middle of the scan period. At the end t 4 of the scan period transistor 16 must be switched off again. However, since transistor 16 is saturated during the scan period and since this transistor must be suitable for high voltages and great powers so that its collector layer is thick, this transistor has a very great excess of charge carriers in both its base and collector layers. The removal of these charge carriers takes a period t s which is not negligible whereafter the transistor is indeed switched off. Thus the fraction δ T of the line period T at which v 14 is positive must end at the latest at the instant (t 4 - t s ) located after the commencement (t = 0) of the previous flyback.
The time δ T may be initiated at any instant t 2 which is located between the end t 1 of the flyback period and the instant t 3 when collector current i C reverses its direction. It is true that emitter current flows through transistor 16 at the instant t 2 , but collector current i C is not influenced thereby, at least not when the supply voltage (=
V o )
for line deflection circuit 17 is high enough. All this has been
described in the U.S. Pat. No. 3,504,224. The same applies to line
deflection circuits wherein the collector base diode does not function
as an efficiency diode as is the case in the described circuit 17, but
wherein an efficiency diode is arranged between collector and emitter of
the line output transistor. In such a case the negative part of the
current i C of FIG. 2a represents the current flowing through the said efficiency diode.
After the instant t 3 voltage v 14 must be positive. In other words, the minimum duration of the period T when voltage v 14 must be positive is (t 4 - t s ) - t 3 whilst the maximum duration thereof is (t 4 - t s ) - t 1 . In a television system employing 625 lines per raster the line period t 4 is approximately 64 μus and the flyback period is approximately 12 μus. Without losses in the circuit arrangement instant t 3 would be located approximately 26 μus after the instant t 1 , and with losses a reasonable value is 22 μus which is 34 μus after the commencement of the period. If for safety's sake it is assumed that t s lasts approximately 10 μus, the extreme values of δ T are approximately 20 and 42 μus and consequently the values for δ are approximately 0.31 and 0.66 at a mean value which is equal to approximately 0.49. It was previously stated that a mean value of δ = 0.5 was suitable. Line deflection circuit 17 can therefore indeed be used in combination with the chopper in the manner described, and the relative variation of δ may be (0.66 - 0.31) : 0.49 = 71.5 percent. This is more than necessary to obviate the variations in the mains voltage or in the various loads and to establish the East-West modulation and ripple compensation to be described hereinafter. In fact, if it is assumed that the mains voltage varies between -15 and +10 percent of the nominal value of 220 V, while the 50 Hz ripple voltage which is superimposed on the input voltage V i has a peak-to-peak value of 40 V and V i is nominally 270 V, then the lowest occurring V i is:
0.85 × 270 V - 20 V = 210 V and the highest occurring V i is
1.1 × 270 V + 20 V = 320 V. For an output voltage V o of 135 V the ratio must thus vary between
δ = 135 : 210 = 0.64 and δ = 135 : 320 = 0.42.
A considerable problem presenting itself is that of the simultaneous or non-simultaneous drive of line output transistor 16 with switching transistor 2, it being understood that in case of simultaneous drive both transistors are simultaneously bottomed, that is during the period δ T. This depends on the winding sense of secondary winding 14 relative to that of primary winding 8. In FIG. 1 it has been assumed that the drive takes place simultaneously so that the voltage present across winding 14 has the shape shown in FIG. 2b. This voltage assumes the value n(V i - V o ) in the period δ T and the value -nVo in the period (1 - δ )T, wherein n is the ratio of the number of turns on windings 14 and 8 and wherein V o is maintained constant at nominal mains voltage V o = δ V inom . However, if as a result of an increase or a decrease of the mains voltage V i increases or decreases proportionally therewith, i.e., V i = V i nom + Δ V, the positive portion of V 14 becomes equal to n(V i nom - V o +Δ V) = n [(1 -δ)V i nom +ΔV] = n(0.5 V inom +ΔV) if δ = 0.5 for V i = V i nom. Relatively, this is a variation which is twice as great. For example, if V i nom = 270 V and V o = 135 V, a variation in the mains voltage of from -15 to +10 percent causes a variation of V i of from -40.5 V to +27 V which ranges from -30 to +20 percent of 135 V which is present across winding 8 during the period δ T. The result is that transistor 16 can always be bottomed over a large range of variation. If the signal of FIG. 2b would be applied through a resistor to the base of transistor 16, the base current thereof would have to undergo the same variation while the transistor would already be saturated in case of too low a voltage. In this case it is assumed that transformer 9 is ideal (without loss) and that coil 21 has a small inductance as is explained in the U.S. patent application Ser. No. 737,009 above mentioned. It is therefore found to be desirable to limit the base current of transistor 16.

This may be effected by providing a coil 22 having a large value inductance, approximately 100 μH, between winding 14 and the small coil 21. The variation of said base current i b is shown in FIG. 2c but not to the same scale as the collector current of FIG. 2a. During the conducting interval δ T current i b varies as a linear function of time having a final value of wherein L represents the inductance of coil 22. This not only provides the advantage that this final value is not immediately reached, but it can be shown that variation of this final value as a function of the mains voltage has been reduced, for there applies at nominal mains voltage that: If the mains voltage V i = V i nom +Δ V, then ##SPC1## because V i nom = 2 V o . Thus this variation is equal to that of the mains voltage and is not twice as great.
During switching off, t 2 , of transistor 16 coil 22 must exert no influence and coil 21 must exert influence which is achieved by arranging a diode 23 parallel to coil 22. Furthermore the control circuit of transistor 16 in this example comprises the two diodes 24 and 25 as described in U.S. application Ser. No. 26,497 above referred to, wherein one of these diodes, diode 25 in FIG. 1, must be shunted by a resistor.
The control circuit of transistor 16 may alternatively be formed as is shown in FIG. 4. In fact, it is known that coil 21 may be replaced by the parallel arrangement of a diode 21' and a resistor 21" by which the inverse current can be limited. To separate the path of the inverse current from that of the forward current the parallel arrangement of a the diode 29' and a resistor 29" must then be present. This leads to the circuit arrangement shown in the upper part of FIG. 4. This circuit arrangement may now be simplified if it is noted that diodes 25 and 21' on the one hand and diodes 23 and 29' on the other hand are series-arranged. The result is shown in the lower part of FIG. 4 which, as compared with the circuit arrangement of FIG. 1, employs one coil less and an additional resistor.
FIG. 3 shows possible modifications of the chopper. FIG. 3a shown in a simplified form the circuit arrangement according to FIG. 1 wherein the pulsatory voltage present across the connections of windings 8 has a peak-to-peak amplitude of V i - V o = 0.5 V i for δ = 0.5, As has been stated, the provision of coil 22 gives a relative variation for the base current of transistor 16 which is equal to that of the mains voltage. In the cases according to FIG. 3b, 3c and 3d the peak-to-peak amplitude of the voltage across winding 8 is equal to V i so that the provision of coil 22 results in a relative variation which is equal to half that of the mains voltage which is still more favorable than in the first case.
Transistors
of the npn type are used in FIG. 3. If transistors of the pnp type are
used, the relevant efficiency diodes must of course be reversed.
In this connection it is to be noted that it is possible to obtain an output voltage V o with the aid of the modifications according to FIGS. 3b, c and d, which voltage is higher than input voltage V i . These modifications may be used in countries such as, for example, the United of America or France where the nominal mains voltage is 117 or 110 V without having to modify the rest of the circuit arrangement.
The above-mentioned remark regarding the sum of the diode currents only applies, however, for the modifications shown in FIGS. 3a and d.
If line output transistor 16 is not simultaneously driven with switching transistor 2, efficiency diodes 7 conducts simultaneously with transistor 16 i.e., during the period which is denoted by δ T in FIGS. 1 and 2b. During that period the output voltage V o of the chopper is stabilized so that the base current of transistor 16 is stabilized without further difficulty. However, a considerable drawback occurs. In FIG. 1 the reference numeral 26 denotes a safety circuit the purpose of which is to safeguard switching transistor 2 when the current supplied to load 11 and/or line deflection circuit 17 becomes to high, which happens because the chopper stops. After a given period output voltage V o is built up again, but gradually which means that the ratio δ is initially small in the order of 0.1. All this is described in U.S. patent No. 3,629,686. The same phenomenon occurs when the display device is switched on. Since δ = 0.1 corresponds to approximately 6 μs when T = 64 μs, efficiency diode 7 conducts in that case for 64 - 6 = 58 μus so that transistor 16 is already switched on at the end of the scan or at a slightly greater ratio δ during the flyback. This would cause an inadmissibly high dissipation. For this reason the simultaneous drive is therefore to be preferred.
The line deflection circuit itself is also safeguarded: in fact, if something goes wrong in the supply, the driver voltage of the line deflection circuit drops out because the switching voltage across the terminals of primary winding 8 is no longer present so that the deflection stops. This particularly happens when switching transistor 2 starts to constitute a short-circuit between emitter and collector with the result that the supply voltage V o for the line deflection circuit in the case of FIG. 1 becomes higher, namely equal to V i . However, the line output transformer is now cut off and is therefore also safe as well as the picture display tube and other parts of the display device which are fed by terminal 15 or the like. However, this only applies to the circuit arrangement according to FIG. 1 or 3a.
Pulse
oscillator 6 applies pulses of line frequency to modulator 5. It may be
advantageous to have two line frequency generators as already
described, to wit pulse oscillator 6 and line oscillator 6' which is
present in the picture display device and which is directly synchronized
in known manner by line synchronizing pulses 7'. In fact, in this case
line oscillator 6' applies a signal of great amplitude and free from
interference to pulse oscillator 6. However, it is alternatively
possible to combine pulse oscillator 6 and line oscillator 6' in one
single oscillator 6" (see FIG. 1) which results in an economy of
components. It will be evident that line oscillator 6' and oscillator 6"
may alternatively be synchronized indirectly, for example, by means of a
phase discriminator. It is to be noted neither pulse oscillator 6, line
oscillator 6' and oscillator 6" nor modulator 5 can be fed by the
supply described since output voltage V o is still not
present when the mains voltage is switched on. Said circuit arrangements
must therefore be fed directly from the input terminals. If as
described above these circuit arrangements are to be separated from the
mains, a small separation transformer can be used whose primary winding
is connected between the mains voltage terminals and whose secondary
winding is connected to ground at one end and controls a rectifier at
the other end.
Capacitor 27 is arranged parallel to efficiency diode 7 so as to reduce the dissipation in switching transistor 2. In fact, if transistor 2 is switched off by the pulsatory control voltage, its collector current decreases and its collector-emitter voltage increases simultaneously so that the dissipated power is not negligible before the collector current has becomes zero. If efficiency diode 7 is shunted by capacitor 27 the increase of the collector-emitter voltage is delayed i.e., this voltage does not assume high values until the collector current has already been reduced. It is true that in that case the dissipation in transistor 2 slightly increases when it is switched on by the pulsatory control voltage but on the other hand since the current flowing through diode 7 has decreased due to the presence of the secondary windings, its inverse current is also reduced when transistor 2 is switched on and hence its dissipation has become smaller. In addition it is advantageous to delay these switching-on and switching-off periods to a slight extent because the switching pulses then contain fewer Fourier components of high frequency which may cause interferences in the picture display device and which may give rise to visible interferences on the screen of the display tube. These interferences occupy a fixed position on the displayed image because the switching frequency is the line frequency which is less disturbing to the viewer. In a practical circuit wherein the line frequency is 15,625 Hz and wherein switching transistor 2 is an experimental type suitable for a maximum of 350 V collector-emitter voltage or 1 A collector current and wherein efficiency diode 7 is of the Philips type BA 148 the capacitance of capacitor 27 is approximately 680 pF whilst the load is 70 W on the primary and 20 W on the secondary side of transformer 9. The collector dissipation upon switching off is 0.3 W (2.5 times smaller than without capacitor 27) and 0.7 W upon switching on.
As is known the so-called pincushion distortion is produced in the picture display tubes havi
ng a substantially flat screen
and large deflection angles which are currently used. This distortion
is especially a problem in color television wherein a raster correction
cannot be brought about by magnetic means. The correction of the
so-called East-West pincushion distortion i.e., in the horizontal
direction on the screen of the picture display tube can be established
in an elegant manner with the aid of the circuit arrangement according
to the invention. In fact, if the voltage generated by comparison
circuit 12 and being applied to modulator 5 for duration-modulating
pulsatory voltage 3 is modulated by a parabola voltage 28 of field
frequency, pulsatory voltage 3 is also modulated thereby. If the power
consumption of the line deflection circuit forms part of the load on the
output voltage of the chopper, the signal applied to the line
deflection coils is likewise modulated in the same manner. Conditions
therefore are that the parabola voltage 28 of field frequency has a
polarity such that the envelope of the sawtooth current of line
frequency flowing through the line deflection coils has a maximum in the
middle of the scan of the field period and that charge capacitor 10 has
not too small an impedance for the field frequency. On the other hand
the other supply voltages which are generated by the circuit arrangement
according to the invention and which might be hampered by this
component of field frequency must be smoothed satisfactorily.
A practical embodiment of the described example with the reference numerals given provides an output for the supply of approximately 85 percent at a total load of 90 W, the internal resistance for direct current loads being 1.5 ohms and for pulsatory currents being approximately 10 ohms. In case of a variation of ± 10 percent of the mains voltage, output voltage V o is stable within 0.4 V. Under the nominal circumstances the collector dissipation of switching transistor 2 is approximately 2.5 W.
Since the internal resistance of the supply is so small, it can be used advantageously, for example, at terminal 15 for supplying a class-B audio amplifier which forms part of the display device. Such an amplifier has the known advantages that its dissipation is directly proportional to the amplitude of the sound to be reproduced and that its output is higher than that of a class-A amplifier. On the other hand a class-A amplifier consumes a substantially constant power so that the internal resistance of the supply voltage source is of little importance. However, if this source is highly resistive, the supply voltage is modulated in the case of a class-B amplifier by the audio information when the sound intensity is great which may detrimentally influence other parts of the display device. This drawback is prevented by means of the supply according to the invention.
The 50 Hz ripple voltage which is superimposed on the rectified input voltage V i is compensated by comparison circuit 12 and modulator 5 since this ripple voltage may be considered to be a variation of input voltage V i . A further compensation is obtained by applying a portion of this ripple voltage with suitable polarity to comparison circuit 12. It is then sufficient to have a lower value for the smoothing capacitor which forms part of rectifier circuit 1 (see FIG. 3). The parabola voltage 28 of field frequency originating from the field time base is applied to the same circuit 12 so as to correct the East-West pincushion distortion.
ntrols.This entire board contains all functions of search + tuning + Remote controls.
No Controllers employed here, only ASIC circuitry and particularly sophisticated and complex.
FEATURES:
20 Word 12-Bit random Access memory
Highly Accurate Digital to to analog converter for Converting Binary Memory Content to Pulse-Width-Modulated Analog Format.
Memory Word Lines Directly Accessed by 5-line Binary Address Input
Memory Tuning by Up and Down (Pushbutton) Inputs
Tuning Speeds are Adjusted for VHF and UHF Bands, and Smoothly increase from Slow (for fine tuning) to Fast Tuning Speeds
Output Available which Signals the Roll Over (Transition from '100% to 0% Duty Cycle) -
Chip is Driven by External Oscillator
Special Logic Circuitry provided on Chip for Rapid Computer-Aided Production Set-up, and Incoming Test Speedup °
.
A signal receiver having VHF and UHF varactor tuners and a channel indicating group for the upp
er
and lower VHF channels and for the UHF channel includes band switching
circuitry for selectively coupling a plurality of power sources to the
tuners in accordance with activation of a particular channel indicating
group. Also, the band switching circuitry is utilized in conjunction
with a channel indicating meter circuit for providing a visual
indication of the channel selected in each one of the channel indicating
groups. indication of a selected signal channel in accordance with the potential applied thereto from said channel 5. The channel indicating meter circuitry of claim 1 wherein said channel indicating meter includes a plurality of meter scales for visually indicating channels in the upper and lower bands of the VHF varactor tuner 6. In a signal receiver having first, second, and third potential sources; VHF and UHF varactor tuners; first, second, and third channel indicating groups each formed for selective coupling to a first potential source, band switching and channel indicating meter circuitry comprising in combination: 7. The band switching and channel indicating meter circuitry combination of claim 6 including a first impedance coupling said first terminal to said potential reference level and a second impedance coupling said first 8. The band switching and channel indicating meter circuitry combination of claim 6 including a first unidirectional conduction device coupling said 9. The band switching and channel indicating meter circuitry combination of claim 6 including a first unidirectional conduction device coupling said second terminal to said potential reference level and a second unidirectional conduction device coupled to said first unidirectional conduction device and potential reference level and to said second switching means and third potential source.
An application entitled "Pushbutton Tuning System" filed concurrently herewith in the names of William Lee Arrington and Lee Irving Merz (Ser. No. 326,759) and assigned to the assignee of the present application relates to a pushbutton tuner for selecting a signal channel wherein each one of the channels provide an output potential suitable for use with the band switching and channel indicating meter circuitry set forth in the present application.
BACKGROUND OF THE INVENTION
Generally, present-day television receivers utilize both VHF and UHF tuners with the VHF tuner having the usual upper band portion covering channels 7-13 and a lower band portion covering channels 2-6. Also, present-day tuners are commonly of the varactor type wherein channel or frequency selection is determined by the potentials applied to the tuners.
In the prior art it has been a common practice to provide ordinary mechanical switches for band switching the high and low bands of the VHF tuner and the UHF tuner. Moreover, printed circuit type switches have been utilized in an effort to overcome the usual problems associated with mechanical switches. However, printed circuits have not provided the answers for such mechanical problems as wear, contact failure, and lack of reliability even though the cost is undesirably increased.
Additionally, total electronic tuning systems using logic and digital techniques have been proposed for use with varactor tuners. In one known example, channel numbers are coded into binary numbers and the selection of a preset voltage on varactor diodes is made by a corresponding binary coded signal.
However, electronic tuning systems using logic and digital systems appear to be relatively expensive, require a large number of components, and have a reliability and repeatability factor which is relatively unknown in the industry. Moreover, repair and service problems associated with such a departure from known and more frequently employed techniques remains an unknown factor.
Additionally, it is highly desirable to provide some form of visual indicating apparatus whereby an operator is aware of the approximate tuning of the receiver. Obviously, the provision of such visual indicating apparatus at a minimum cost of materials and labor is of utmost importance.
OBJECTS AND SUMMARY OF THE INVENTION
An object of the present invention is to provide enhanced band switching circuitry for a multi-ban
d signal receiver. Another object of the
invention is to provide improved electronic band switching circuitry for
varactor tuners in a signal receiver. Still another object of the
invention is to provide improved visual indicating apparatus utilized
with band switching circuitry in a multi-band signal receiver.These and other and further objects, advantages and capabilities are achieved in one aspect of the invention by a multi-band signal receiver having VHF and UHF varactor tuners with channel indicating groups for the upper and lower VHF bands and the UHF band and band switching circuitry for selectively coupling a plurality of potential sources to the tuners in accordance with the particular channel indicating group selected. Also, channel indicating meter circuitry acts in conjunction with the band switching circuitry to provide a visual indication of the signal channel selected.
BRIEF DESCRIPTION OF THE DRAWING
FIG. 1 is a diagrammatic illustration, in block and schematic form, of electronic band switching and channel indicating meter circuitry suitable for use in a multi-band signal receiver; and
FIG. 2 is an alternative embodiment of a channel indicating meter circuit.
PREFERRED EMBODIMENT OF THE INVENTION
For a better understanding of the present invention, together with other and further objects, advantages and capabilities thereof, reference is made to the following disclosure and appended claims in conjunction with the accompanying drawings.
Referring to the drawings, band switching and channel indicating meter circuitry suitable for use in a television receiver includes first, second, and third channel indicating groups 3, 5, and 7 respectively. Each one of the channel indicating groups, 3, 5, and 7 includes a plurality of parallel coupled signal channels and each signal channel has a series connected neon bulb 9 and selector switch 11 coupled to a first potential source 13. Also, each channel includes a signal selector switch 14, ganged to the selector switch 11, and connected to an adjustable resistor 12 intermediate the first potential source 13 and a potential reference level such as circuit ground. Thus, the first channel indicating group 3, preferably includes signal channels 7-13, the second channel indicating group 5, includes signal channels 2-6, and the third channel indicating group 7 includes a selection of channels 14-83.
In operation, selection of a signal channel in any one of the first, second, or third channel indicating groups 3, 5, and 7 is effected upon closure of a selector switch 11 whereupon a potential from the first potential source 13 is applied to the series connected neon bulb 9 by the selector switch 11. Also, a potential representative of a signal channel within the channel indicating group 3, 5, and 7 is available at the ganged signal selector switch 14. Thus, there is provided a potential representative of the channel indicating group and another potential representative of a specific channel within the channel indicating group.
Coupled to the channel indicating groups 3, 5, and 7 respectively, is band switching circuitry including first, second, and third switching means 15, 17, and 19 respectively. The first switching means 15, in the form
of
a transistor 16 in this instance, has a base electrode coupled to the
first channel indicating group 3, representative of the upper band of
signal channels 7-13. A collector electrode is coupled to a second
potential source B+ while an emitter electrode is coupled to a varactor
or varicap VHF type tuner 21. Obviously, the transistor may be replaced
by other forms of electronic switching apparatus.The second switching means 17 includes a pair of DC coupled PNP and NPN transistors, 23 and 25 respectively. The PNP transistor 23 has an emitter coupled to the second potential source B+, a collector DC coupled to the base of the NPN transistor 25, and a base electrode coupled via a biasing resistor 27 to circuit ground and by way of a first unidirectional conduction device 29 to the second channel indicating group 5 (channels 2-6). Also, a second unidirectional conduction device 31 couples the junction of the first unidirectional conduction device 29 and second channel indicating group 5 to the junction of the first channel indicating group 3 and first switching means 15. The NPN transistor 25 has a collector electrode coupled to the second potential source B+ and an emitter electrode coupled via a resistor 33 to a third potential source B- and to the VHF varactor or varicap tuner 21.
The third switching means 19 includes a transistor 35 having a base electrode connected to the third channel indicating group 7 and a collector electrode coupled to the second potential source B+. The emitter electrode of the transistor 35 is coupled to a UHF varicap or varactor tuner 37.
Additionally, channel indicating meter circuitry includes a meter 39 having a first terminal 41 coupled via resistors 42 and 44 to the signal selector switches 14 of the series connected first, second, and third channel indicating groups 3, 5, and 7 respectively and to the junction of the VHF and UHF tuners 21 and 37. This first terminal 41 of the meter 39 is also connected via a series connected first unidirectional conduction device 43 and resistor 45 to circuit ground. The junction of this first unidirectional conduction device 43 and resistor 45 is coupled via a second unidirectional conduction device 47 to the junction of the second switching means 17, the resistor 33 connected to the third potential source B-, and to the VHF tuner 21. Moreover, a second terminal 49 of the indicating meter 39 is coupled by a first resistor 51 to a potential reference level and by a second resistor 53 to the second potential source B+.
FIG. 2 illustrates an alternative form of channel indicating circuitry wherein an indicating meter 39 has a first terminal 55 coupled to the signal indicating or tuning means 57 of the first, second, and third channel indicating groups 3, 5, and 7 and via a series connected diode 59, first alterable resistor 61, and second alterable resistor 63 to a potential reference level. The terminal 55 is also coupled to the second alterable resistor 63.
A second terminal 65 of the meter 39 is coupled to the second potential source B+ and to the potential reference level. Also, the second terminal 65 is coupled via a resistor 67 and diode 69 to the junction of the second switching means 17, to the resistor 33 coupled to the third potential source B-, and to the VHF tuner 21. Moreover, a third diode 71 couples the second diode 69 and junction of the second switching means 17 to the alterable resistor 61.
As to operation, selection of any one of the parallel connected signal channels (channels 7-13) of the first channel indicating group 3 causes application of a potential from the first potential source 13 to the first switching means 15. The first switching means 15 including the transistor 16 is normally nonconductive or open-circuited. However, application of a potential from the potential source 13 renders the transistor 16 conductive whereupon a potential from the second potential source B+ is applied to the VHF tuner 21.
Also, it is to be noted
that the second switching means 17 is normally conductive whereupon the
potential from the third potential source B- coupled to the VHF tuner
21 is "swamped-out" by the potential from the second potential source
B+. Thus, activation of a signal channel (channels 7-13) of the first
channel indicating group 3 causes application of a potential from the
second potential source B+ to the VHF tuner 21 and "swamping-out" of a
potential from the third potential source B- which is, in turn, coupled
to the band switching terminal of the VHF tuner 21.Activation of a parallel connected signal channel of the second channel indicating group 5 which includes the low portion (channels 2-6) of the VHF signal band, causes application of a potential from the first potential source 13 to the first switching means 15 via the diode 31 and to the second switching means 17 via diode 29. Thereupon, the first switching means 15 is rendered conductive and a potential from the second potential source B+ is applied to the VHF tuner 21. The second switching means 17 is rendered non-conductive, due to the bias potential developed across the resistor 27 via diode 29, whereupon the third potential source B- is no longer "swamped-out" but rather, is applied to the band switching terminal of the VHF tuner 21.
Selection of one of the parallel connected signal channels (channels 14-83) in the UHF band of signals causes activation of the third channel indicating group 7. Thereupon, a potential from the first potential source 13 is applied to the third switching means 19. This applied potential renders the transistor 35 conductive whereupon a potential from the second potential source B+ is applied to the UHF tuner 3. Thus, activation of the UHF tuner 3 is provided upon selection of a high frequency signal channel (channels 14-83).
It may be noted that each one of the switches 11 in each channel of the first, second, and third channel indicating groups 3, 5, and 7 is mechanically connected to the others in a manner such that only one of the switches 11 is operable at a time. In other words, activation of a second one of the switches 11 causes de-activation of a first one of the switches 11. Such a switching system is clearly set forth in the cross-referenced application entitled "Pushbutton Tuning System" filed concurrently herewith.
Additionally, the channel indicating meter circuitry is responsive to selection of a channel in any one of t
he first, second, and third
channel indicating groups 3, 5, and 7. Upon selection of a channel
(channels 7-13) in the upper portion of the VHF signal range, a positive
potential provided by second potential source B+ will appear at the
junction of the second switching means 17, resistor 33 coupled to the
third potential source B-, and the band switching terminal of the VHF
tuner 21. This positive potential appears at the junction of the first
and second unidirectional conduction devices 43 and 47 back biasing the
first unidirectional conduction device 43 whereupon conduction
therethrough ceases and the potential of the first terminal 41 of the
indicating meter 39 is raised to provide an approximate half-scale
reading of the channel indicating meter 39. The indicating meter 39 is
further advanced in accordance with a potential applied to the first
terminal 41 via the series connected resistors 42 and 44 coupled to the
particular channel (channels 7-13) selected. Thus, this further advance
of the indicating meter 39 is effected by current flow via the series
connected resistors 44 and 42, the indicating meter 39 and the resistor
51 coupled to circuit ground.Upon selection of a channel (channels 2-6) in the lower portion of the VHF signal band, the third potential source B- is no longer "swamped-out" because of the non-conductivity of the second band switching circuitry 17 but rather, is applied to the second unidirectional conduction device 47 to effect a back-bias thereon. Thus, current supplied by the tuning voltage, derived via the first potential source 13 and second channel indicating group 5, flows through the indicating meter 39 via the resistors 44 and 42 and to circuit ground by way of the resistor 51. Also, a predetermined portion of this current flows to circuit ground by way of the first unidirectional conduction device 43 and resistor 45 coupled thereto. Thus, compression to the lower portion of the scale of the indicating meter 39 provides a maximum utilization of scale length.
In the UHF signal band (channels 14-83), a positive potential appears at the first ter
minal 41 as previously explained with respect to the upper
portion (channels 7-13) of the VHF signal band. Also, a substantially
equal positive potential is applied to the second terminal 49 of the
indicating meter 39 as derived from the second potential source B+ via
the resistor 53 coupled to the second terminal 49. Thus, by application
of substantially equal potentials to the first and second terminals 41
and 49 of the indicating meter 39, the total length of the indicating
scale may be employed. Moreover, the tuning voltage, as derived from the
first potential source 13 and third channel indicating group 7, is
applied via the resistors 44 and 42 to the first terminal 41 of the
indicating meter 39 to provide a visual indication of the channel
selected.Thus, there has been provided a unique band switching circuit as well as a unique channel indicating meter circuit for a multi-channel signal receiver employing both VHF and UHF varicap or varactor tuners. This improved circuitry is inexpensive of components, circuitry, and assembly time while reliability and repeatability of results are enhanced. Not only is the undesired wear associated with mechanical systems eliminated but, more importantly, the electronic switching technique increases the time switching capabilities without appreciable increase in cost.
While there has been shown and described what is at present considered the preferred embodiment of the invention, it will be obvious to those skilled in the art that various changes and modifications may be made therein without departing from the invention as defined by the appended claims.




















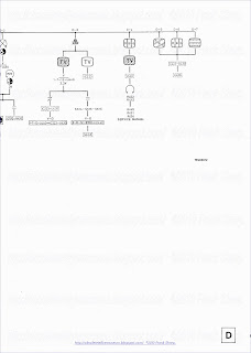
Detailed view Modules (units)
Mains rectifier 8222 280 2097.3
Supply control With TDA2581q (PHILIPS) 8222 280 2089.6
IF DEM Unit with TDA2540q (PHILIPS) 3122 128 80281 8222 280 2109.4
Synch with TDA2571AQ (PHILIPS) 8222 280 2105.4
Lum + Chrom with TDA 2525Q AND TDA2560/3Q + Delay Line DL 700. 8222 280 2093.3
RGB OUTPUT 8222 280 2101.4
SOUND With TBA120AS 8222 280 2082.6

TBA120T (Siemens) SIF (Sound IF)
TDA2541 IF AMPLIFIER WITH DEMODULATOR AND AFC

DESCRIPTION
The TDA2540 and 2541 are IF amplifier and A.M.
demodulator circuits for colour and black and white
television receivers using PNP or NPN tuners. They
are intended for reception of negative or positive
modulation CCIR standard.
They incorporate the following functions : .Gain controlled amplifier .Synchronous demodulator .White spot inverter .Video preamplifier with noise protection .Switchable AFC .AGC with noise gating .Tuner AGC output (NPN tuner for 2540)-(PNP
tuner for 2541) .VCR switch for video output inhibition (VCR
play back).
.SUPPLYVOLTAGE : 12V TYP
.SUPPLYCURRENT : 50mATYP
.I.F. INPUT VOLTAGE SENSITIVITY AT
F = 38.9MHz : 85mVRMS TYP
.VIDEO OUTPUT VOLTAGE (white at 10% of
top synchro) : 2.7VPP TYP
.I.F. VOLTAGE GAIN CONTROL RANGE :
64dB TYP .SIGNAL TO NOISE RATIO AT VI = 10mV :
58dB TYP
.A.F.C. OUTPUT VOLTAGE SWING FOR
Df = 100kHz : 10V TYP
TDA2581 CONTROL CIRCUIT FOR SMPS

The TDA2581 is a monolithic integrated circuit for controlling switched-mode power supplies (SMPS) which are provided with the drive for the horizontal deflection stage.
The circuit features the following:
— Voltage controlled horizontal oscillator.
— Phase detector.
— Duty factor control for the positive-going transient of the output signal.
— Duty factor increases from zero to its normal operation value.
— Adjustable maximum duty factor.
- Over-voltage and over-current protection with automatic re-start after switch-off.
— Counting circuit for permanent switch-off when n~times over~current or over-voltage is sensed
-Protection for open-reference voltage.
- Protection for too low supply voltage.
Protection against loop faults.
Positive tracking of duty factor and feedback voltage when the feedback voltage is smaller than the
reference voltage minus 1,5 V.



























































No comments:
Post a Comment
The most important thing to remember about the Comment Rules is this:
The determination of whether any comment is in compliance is at the sole discretion of this blog’s owner.
Comments on this blog may be blocked or deleted at any time.
Fair people are getting fair reply. Spam and useless crap and filthy comments / scrapers / observations goes all directly to My Private HELL without even appearing in public !!!
The fact that a comment is permitted in no way constitutes an endorsement of any view expressed, fact alleged, or link provided in that comment by the administrator of this site.
This means that there may be a delay between the submission and the eventual appearance of your comment.
Requiring blog comments to obey well-defined rules does not infringe on the free speech of commenters.
Resisting the tide of post-modernity may be difficult, but I will attempt it anyway.
Your choice.........Live or DIE.
That indeed is where your liberty lies.
Note: Only a member of this blog may post a comment.