This chassis is particular.
This is the 110° CRT CHASSIS Type of the CUC3400.
No "Official" power supply, all supplyes are generated via the Line + EHT Transformer which acts as SMPS LINE TRANSFORMER.
the chassis CUC3410 was also used in: Blaupunkt 7667300, 7668300, IM70-18 (FM100-41) / Grundig T63-330, T63-346, T70-340CTI
Main - 29701-047.01 / 29701-047.06
Micom - SDA2010-A025
SMPS - TDA3640 & BUT11AF
Vertical - TDA8170
Geometry - TDA8145
Sound - TDA1905
Tuner - 29504-101.01
Tube - A66EAK51X01 / A66EAK01X01 / A66EAK00X01 / A59EAK00X01
FBT - 29201-024.11 / 11B (HR5711)
HOT - BU508AF
RGB Amp. - TFK840 / GF759
Other ICs - TDA4052, TDA8140, UAA2022
It seems simple but is sophisticated, all is based on two MAIN components:
The TDA3640 (PHILIPS) and the SMPS LINE TRANSFORMER which is very particular.
SMPS LINE TRANSFORMER Does the Line deflection + EHT + SMPS Transformer. All switching frequency is line and phase frequency locked.
This chassis was reliable except for the EHT tripler which was failing very often.
The EHT tripler was causing sometimes big troubles.
---------------------------------
1. Synchronised switched-mode power supply with a mains isolated horizontal output circuit in television receivers for generating a sawtooth current, only one transformer being provided for electric isolation between mains and chassis side and the switched-modo power supply being supplied with an unregulated direct voltage, including a mains-side freely starting regulating loop for controlling the main current path, a regulating switch via which the unregulated direct voltage feeds the primary winding n1 of the transformer, a first chassis-side winding n2 via which energy is recovered for the horizontal output circuit during the retrace interval, this first chassis-side winding n2 being loosely coupled to the primary winding n1 and being electrically isolated from the mains side, a winding n4 via which the regulating information is obtained for correcting the lead time of the regulating switch, and a winding n3 via which low-voltage voltages are obtained for the low-frequency stages, the horizontal oscillator and the small-signal stages, characterised by a combination of the two following features : a) the winding n4 , via which, in addition, the regulating loop (2) is synchronised, is tightly coupled to the first chassis-side winding n2 ; b) the winding n3 is tightly coupled to the primary winding n1 and loosely coupled to the first chassis side winding n2 .

GRUNDIG CHASSIS CUC3400 - 3410: Standby mode operation of a horizontal output stage combined with a switched-mode power supply unit. STANDBY-BETRIEB BEI EINER MIT EINEM SCHALTNETZTEIL KOMBINIERTEN HORIZONTALENDSTUFENSCHALTUNG:
1. Swi

1. Schaltnetzteil mit kombinierter Horizontalendstufenschaltung in Fernsehempf·angern, bei dem als galvanische Tren

2. Schaltnetzteil nach Anspruch 1, d a d u r c h g e k e n n z e i c h n e t , dass der Ablenktransistor (4) der Horizontalendstufe zum Einschalten und/oder zum Wiedereinschalten des Normalbetriebes verwendet wird.
3. Schaltnetzteil nach Anspruch 1 oder 2, d a d u r c h g e k e n n z e i c h n e t , dass zum Einschalten des Standby-Betriebes der Ablenktransistor (4) leitend geschaltet, zum Aufrechterhalten des Standby-Betriebes leitend gehalten und zum Wiedereinschalten des Normalbetriebes gesperrt wird.
4. Schaltnetzteil nach einem oder mehreren der vorhergehenden Anspr·uche, d a d u r c h g e k e n n z e i c h n e t , dass der Regelkreis (2) bei einem Kurzschluss der Wicklung infolge einer sekund·arseitigen St·orung zur·uckgeregelt wird bzw. in den Standby-Betrieb umschaltet. EMI11.1
Ein solches Schaltnetzteil wurde von derselben Anmelderin in der deutschen Patentanmeldung P 32 10 908 vorgestellt. Dieses Schaltnetzteil zeichnet sich aus durch einen prim·arseitigen frei anlaufenden Regelkreis zur Steuerung des Hauptstromweges und einen Regelschalter, ·uber den die aus dem Netz gewonnene, ungeregelte Gleichspannung der Prim·arwicklung n1 des Transformators zugef·uhrt wird. In der lose an die Prim·arwidiung n1 gekoppelten Sekund·arwicklung n2 wird ein Strom induziert, der zum Anlauf und zur Versorgung der Horizontalendstufe vorgesehen ist.
In einer zweiten, fest an die Prim·arwicklung n1 angekoppelten Wicklung n3 wird die Niedervoltspannung f·ur die Horizontalansteuerung, die einen internen Treiber enth·alt, und die Kleinsignalstufen erzeugt. Weiterhin sind Sekund·arwicklungen vorgesehen, die fest an n2 gekoppelt sind und die Spannungen f·ur die kGB-Endstufen, Heizung, usw. erzeugen.
·Uber die Trennstelle n /n des Transformators wird 12 w·ahrend des R·ucklaufintervalles des Ablenktransistors (4) eine Spannung a
Belastungs·anderungen werden in der fest an n2 gekoppelten Wicklung n4 erfasst und ·uber eine Beeinflussung der Stromflusszeit des Hauptstromkreises ausgeregelt.
Die deutsche Anmeldung P 32 10 908 enth·alt jedoch keinen Hinweis auf einen Standby-Betrieb.
Weiterhin ist aus der DE-PS 24 58 302 ein Sperrwandler-Netzteil f·ur einen Fernsehempf·anger mit Ultraschall-Fernbedienung bekannt, der als Betriebszustand u. a. einen Bereitschaftsbetrieb aufweist. Bei dieser Schaltung sind der Fernsehempf·anger und der Ultraschallempf·anger an denselben Trenntransformator sekund·arseitig angeschlossen. Die Umschaltung zwischen Normalbetrieb und Bereitschaftsbetrieb wird auf der Sekund·arseite des Trenntransformators vorgenommen.
Bei dieser Schaltung ist jedoch ein zus·atzlicher Transformator f·ur die Horizontalendstufe n·otig.
Die Aufgabe der Erfindung besteht darin, bei einem Schaltnetzteil mit kombinierter Horizontal-Endstufenschaltung der im Oberbegriff des Anspruchs 1 angegebenen Art auf besonders einfache Art und Weise den Standby-Betrieb zu erm·oglichen.
Diese Aufgabe wird durch das Kennzeichen des Patentanpsruchs 1 gel·ost. Besonders vorteilhafte Weiterbildungen der Erfindung sind in den Unteranspr·uchen gekennzeichnet.
Dic Vorteile der Erfindung liegen insbesondere darin, dass als galvanische Trennstelle nur ein Transformator f·ur die Erzeugung der Betriebsspannung, der Hochspannung, der Horizontalablenkung und der Heizspannung n·otig ist und aufgrund der gew·ahlten Wicklungsanordnung mit Hilfe des Horizontal-Ablenktransistors und der prim·arseitigen Regelschaltung auf besonders einfache Art und Weise eine Steuerung des Standby-Betriebes durchgef·uhrt werden kann.
Ein weiterer Vorteil besteht darin, dass im Falle einer sekund·arseitigen St·orung automatisch der Standby-Betrieb herbeigef·uhrt wird.
Die Erfindung wird nachfolgend unter Bezugnahme auf das aus der Figur 1 ersichtliche Ausf·uhrungsbeispiel n·aher erl·autert.
Die Schaltun

In der Anlaufphase wird ·uber eine Startschaltung 7, die im einfachsten Fall aus einem hochohmigen Widerstand besteht, der Kondensator 11 aufgeladen. In dieser Phase gibt die Regelschaltung 2 keine Impulse an die Basis des Regelschalters 3 ab. Erst wenn die Spannung am Punkt A einen vorgegebenen Wert (z. B.
10 V) erreicht hat, wird ·uber eine regelschaltungsinterne Stabilisierungsschaltung die gesamte Schaltung in Betrieb genommen. Die Regelschaltung 2 liefert Impulse an die Basis des Regelschalters 3, tastet also den Regelschalter 3 auf. ueber den Regelschalter 3 fliesst somit ein pulsierender Strom in die Prim·arwicklung n1 des Transformators.
Die Wicklungen nl, n3 und n5 sind fest miteinander verkoppelt. Die Wicklungen n2, n4, n6 und n7 sind untereinander fest, aber lose an die vorgenannten Wicklungen nl, n3 und n5 gekoppelt. Ein Beispiel daf·ur, wie die genannten Kopplungsverh·altnisse erreicht werden k·onnen, zeigt die Figur 2.
Die Wicklu

Durch die zweite, fest an n1 und lose an n2 angekoppelte Sekund·arwicklung n3 wird die Niedervoltspannung f·ur die Kleinsignalstufen und die NF-Stufe und den Horizontaloszillator bzw. die Treiberschaltung 13 der Horizontalendstufe 14 gewonnen, und damit die Ansteuerung des Ablenktransistors 4 sichergestellt. In die lose an n1 gekoppelte Sekund·arwicklung wird n2 In die lose an n1 gekoppelte Sekund·arwickl£ung n2 wird eine Spannung induziert, die nach Gleichrichtung mittels einer Diode 8 an den Kondensator 9 die ben·otigte Betriebsspannung f·ur den Ablenkkreis liefert und somit den Anlauf der Horizontalendstufe herbeif·uhrt.
·Uber die Trennstelle n 1/n2 wird ferner die an der Ablenkwicklung 15 stehende Spannung w·ahrend des K·ucklaufintervalls der Ablenkschaltung invertiert auf die Prim·arwicklung n1 betragen, um den Strom im Hauptstromweg w·ahrend der R·ucklaufzeit bei der Schaltung des Regelschalters 3 und damit die Abschaltverluste zu vermindern. Dieser Vorgang ist ausf·uhrlich beispielsweise in der DE-OS 28 35 946 dargestellt.
Aus einer fest an die Wicklung n2 und lose an n1 angekoppelten Wicklung n4 des Transformators wird eine R·ucklauf spannung gewonnen, die abh·angig von der Belastung der Wicklung n2 ist.
Strahlstrom·anderungen in der Hochspannungserzeugung ·uber die Wicklung n6 und der Hochspannungskaskade 12 (bzw. Split) werden ·uber die fest an n6 gekoppelte Wicklung n2 bzw. die fest an n2 ge

Hingegen werden Belastungs·anderungen in der Wicklung n3, wie sie beispielsweise durch NF-Last·anderungen gegeben sind, fast nicht nachgeregelt, da die Wicklung n3 nur lose mit den Wicklungen n2 und n4 verkoppelt ist. Deshalb ist die Zeilenablenkschaltung weitgehend unabh·angig von Last·anderungen in der Sekund·arwicklung n3.
Die Netzspannungsnachregelung f·ur die Spannungen, die aus der Wicklung n3 gewonnen werden, erfolgt indirekt ·uber die Regelimpulse der Wicklung n4 So w·urde sich beispielsweise bei Netzunterspannung die R·ucklauf spannung ohne Nachregelung verringern.
Durch die Impulse der Wicklung n4 wird jedoch ·uber die Regelschaltung 2 die Leitzeit des Regelschalters 3 verl·angert. Damit wird mehr Energie von der Prim·arauf die Sekund·arseite ·ubertragen und demzufolge Netzspannungs·anderungen ausgeglichen.
Bei der Umschaltung vom Normalbetrieb in den Standby- Betrieb schaltet der Regelkreis 2 die Spannung ¢am Punkt A auf den vorgegebenen Wert von z. B. 10 V.
Diese Standby-Umschaltung steht in Verbindung mit einer Verk·urzung der Leitzeit des Regel schalters 3, die wie folgt ausgel·ost wird: ·Uber die Wicklung n3 bzw. eine Treiberschaltung 13 der Horizontalansteuerstufe wird die Basis des Ablenk transistors 4 so gesteuert, dass der Ablenktransistor st·andig leitet. Demzufolge kann sich im Kondensator 9 und damit auch in der Sekund·arwicklung n2 keine Spannung aufbauen. Da die Wicklung n6 f·ur die Hoch spannungs erzeugung, die Wicklung n7 f·ur die Erzeugung einer Heizspannung und sonstige Impulsspannungen sowie die Wicklung n4 f·ur die Synchronisation und Steuerung der Regelschaltung 2 fest mit der Wicklung n2 verkoppelt sind, k·onnen weder Hochspannung noch Heizung noch sonstige Impuls spannungen entstehen.
Damit sind s·amtliche im Standby-Betrieb nicht ben·otigten Spannungen abgeschaltet, ziehen also keine Leistung aus dem Netz. Ausserdem schaltet wegen des Wegfalls der R·ucklauf spannungen an n4 die Regelschaltung im beschriebenen Sinne den Regel schalter 3 auf Standby-Betrieb um.
Dagegen ist die im Standby-Betrieb n·otige Versorgung der Sekund·arseite mit Niedervoltspannung weiterhin gew·ahrleistet, da die Wicklung n3, ·uber die diese Versorgung erfolgt, fest mit der Prim·arwicklung n1 und nur lose mit der Sekund·arwicklung n2 verkoppelt ist. Die Nachregelung der Niedervoltspannung kann - falls n·otig - mit Hilfe der Spannung erfolgen, die in die ebenfalls fest an n1 gekoppelte Wicklung n5 induziert wird, die ansonsten nur die Energie f·ur die Versorgung der Regelschaltung liefert.

Die dargestellte Schaltung erm·oglicht es somit, den Ablenktransistor 4 der Horizontalendstufenschaltung in besonders einfacher Weise f·ur die Steuerung des Standby-Betriebes zu verwenden.
Ein besonderer Vorteil der erfindungsgem·assen Schaltung liegt darin, dass im Falle einer sekund·arseitigen St·orung, z. B. einem Kurzschluss der Diode oder des Kondensators 16, die Schaltung automatisch in den Standby-Betrieb ·ubergef·uhrt wird. Denn im Falle eines Kurzschlusses der Diode 8 oder des Kondensators 16 kann sich an n2 keine Spannung aufbauen. Dies gilt ebenso f·ur die Wicklung n4, die fest an n2 gekoppelt ist und die R·uckschlagimpulse an den Triggereingang der Regelschaltung 2 liefert. Auch an der Wicklung n6 f·ur die Hochspannungserzeugung und der Wicklung n7 f·ur die Erzeugung einer Heizspannung, die beide ebenfalls fest an n2 gekoppelt sind, kann sich keine Spannung aufbauen.
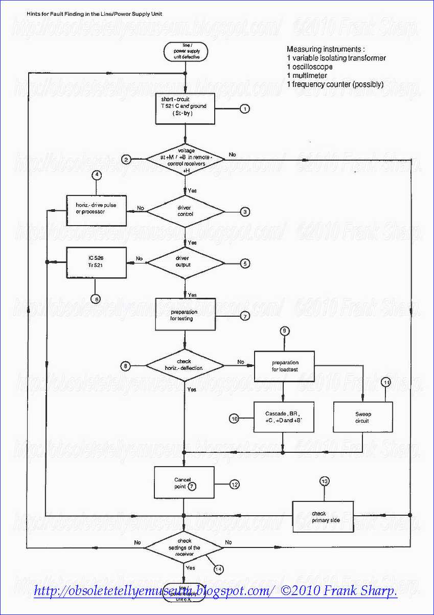
GRUNDIG CHASSIS CUC3400 CUC3410
DESCRIPTION OF THE ZNT - LINE SUPPLY TRANSFORMER TECHNOLOGY, ONE TRANSFORMER FOR ALL FUNCTIONS :
Short Functional

The GRUNDIG line/power supply unit has two important features:
- the line/mains transformer (ZNT) with ferrite core.
This transformer is provided with windings for the power supply and line output stages:
- the supply frequency corresponds to the line frequency.
The ZNT is used for electrical isolation, horizontal deflection, and generation of the operating voltage. The ZNT windings are tightly and loosely coupled to ensure that the load capacity of the supplies is high enough and that back effects on the line transformer winding N-M are avoided.
Startup Circuit
The starting voltage for IC 655 is obtained from the bridge rectifier D 621 via R 641. lf the voltage on pin 2, which is derived from the resistor network R 642, 643, and 644, reaches a level of approximately 10 V, the IC 655 starts to drive T 661 via pin 3 (precondition: pin ‘8>10V).
The line/power supply circuit starts to oscillate.
Simultaneously, the current consumption drawn via pin 2 rises and the winding E-D of
the ZNT takes over the operating voltage supply function (D 647, R 647, C 647).
Oscillator in IC TDA 3640 The control pulses for the T 661 are generated by an oscillator which operates on the threshold principle where C 653 is an externaly connected frequency-determining component (oscillator retaining range 14-17 kHz approx.). The oscillator oscillates at a free-run frequency until the reference pulses from the ZNT exceed 1 Vp at pin 12.
ln full operating condition (ON) avoltage of about +5 Vp is applied to pin 12.
Line 0utputStage
The deflection transistor T 521 is activated in stand-by mode. The cyclic line-frequency control of the deflection transistor corresponds to the “ON" operating mode.
The power for the horizontal sweep circuit is derived from the electromotive force of coil M-N that no additional operating voltage is necessary for T 521.
Vooltage Stabilisation
ln stand-by mode the pulse from winding E-D (tightly coupled with winding A-B) is used as a reference for stahilisation. The controlled variation is +10.5 V on pin 2 TDA 3540.
ln full operating condition, that is 'ON“. the voltage in the horizontal sweep circuit (transformer winding M-N) must be stabilised to a constant level. This is achieved by means of a reference pulse from winding C-D which is tightly coupled with winding M-N. The resulting direct voltage
obtained via D 633 is proportional to the width of the picture or high voltage and is applied to pin 10 and compared with the reference voltage (about 3 V) on pin 11. ln this part of the circuit the +C voltage is adjusted by means of R 637 to 196 V and 192Vf'or 25" receivers and 28" receivers.
respectively.
Prote

The protective circuits respond immediately if:
- the operating voltage on pin 2 is too low (<7 V):
- ICE of T 521 is too high (more negative than -1 V at pin 7);
- the power supply voltage is too high (voltage at pin 18 is 2.8 V higher than at pin 2);
- the power supply voltage is too low (voltage at pin 18 is 1.4 V lower than at pin 2);
- the high voltage is excessivley high (line flyback pulses >6V at pin 12):
- the crystal temperature is too high (>135° C).
Regulated power supply device for a line sweep circuit in a television receiver:

1. A regulated power supply device, in particular for a line sweep circuit in a television receiver, whose output stage (30) contains a first electronic switch of the bidirectional type (36, 35), controlled periodically so as to be closed during the forward sweep and open during the fly-back, connected in parallel with a first series assembly containing line deviation coils (31) and a first capacitor (32), called the forward capacitor, which feeds these coils (31) during the closing of the first switch (36, 35), with a second capacitor (34), called the return capacitor, which forms a parallel resonant circuit with the inductance in particular of the coils (31) during the opening of the first switch (36, 35) and with a second series assembly containing a first winding (22) of a transformer (20), called the line transformer, and a third capacitor (33), called the power supply capacitor, which feeds the first winding (22) with D.C. voltage while the first switch (36, 35) is closed, the power supply device containing a chopper circuit (10) connected between the terminals (6, 7) of a D.C. power supply voltage source (5) and containing an inductor, called the chopper inductor, (16) and a second electronic switch (15), which is controlled, mounted in series, this second switch (15) containing a chopper transistor (11) controlled on its base by means of a recurring control signal, which is produced by means of the line return pulses picked up on a secondary winding (25) of the line transformer (20), in order to be alternately conducting and cut off during each line period, this chopper inductor (16) containing a second winding (21), called the power supply winding, of this transformer (20), which is intended for the transfer of energy between the chopper circuit (10) and the line sweep output stage (30), and being characterized by the fact that, the second switch (15) being also of the bidirectional type and containing, apart from the chopper transistor (11), which is operating in the saturated and cut off mode, a diode (12) mounted in parallel and in opposition with this transistor, the chopper circuit (10) contains also a fourth capacitor (13), called the turning capacitor, which forms a resonant circuit with the chopper inductor (16) during the opening periods of the second switch (15) which works with a constant cyclic ratio, the periods being obtained by means of a control signal which causes the cutting off of the chopper transistor (11) and their lengths being constant and greater than a half period of resonance of this resonant circuit (13, 16) whose length may reach about a half of a line period, and by the fact that the regulation of the energy exchanged between the chopper circuit (10) and the output stage (30) is obtained by the variation of the delay between the respective opening instants of the first

2. A power supply device as in claim 1, characterized by the fact that the transistor (11) in the second switch (15) is controlled by means of a regulation circuit (40) fed by an auxiliary winding (25) of the transformer (20) which supplies it with a signal one of whose peak amplitudes is proportional to the voltage at the terminals of the power supply capacitor (33) in the output stage (30), which is recharged by means of the chopper circuit (10), and whose peak to peak amplitude is proportional to a very high voltage supplied by another winding (23) of transformer (20), the regulation circuit (40) causing the delay in the instant of cut off of transistor (11) to vary with respect to the leading edge of the line return pulse produced by the opening of the first switch (36, 35).
3. A power supply device as in claim 2, characterized by the fact that the regulation by the phase shift between the respective cut off instants is obtained as a function either of the peak to peak amplitude or of the peak amplitude during the fly back or forward sweep of the signal at the terminals of one of the windings (21 or 25) of line transformer (20) by comparing this amplitude to a reference voltage and by controlling the delay as a function of the difference between the voltage corresponding to one of these amplitudes and the reference voltage, in order to stabilize either the sweep amplitude or the power supply voltage obtained by rectifying the line return pulse.

4. A power supply device as in claim 2, characterized by the fact that the regulation circuit (40) contains an unstable multivibrator (48) whose output is coupled to the base of chopper transistor (11) by means of a control stage (50) and which operates independantly on starting up, a circuit generating a variable delay which contains a phase shift stage (46) triggered by the line return pulses and supplying to the multivibrator (48) triggering pulses which are delayed with respect to the leading edges of the line return pulses, which cause the cutting off of chopper transistor (11), and a regulator stage (47), which supplies the phase shift stage (46) with a regulation signal that makes it possible to vary the delay between the respective leading edges of the line return pulses and the triggering pulses as a function of one of the peak amplitudes or of the peak to peak amplitude of the signal supplied by the auxiliary winding (25) of the transformer (20).
5. A power supply device as in claim 4, of the type in which the power supply capacitor (33) feeds a D.C. voltage to the whole line sweep circuit, characterized by the fact that the regulation circuit (40) is fed by means of an independant power supply circuit (51) which enables the chopper circuit (10) to be started up by the independant operation of the unstable multivibrator (48) in order to start up the power supply of the line sweep circuit with the chopper voltage induced in the first winding (22) of the transformer (20) and rectified by the diode (35) which is part of the first bidirectional switch (36, 35) which charges the power supply capacitor (33).
6. A power supply device as in one of claims 4 and 5, characterized by the fact that the phase shift stage (46) contains a delay generator which supplies a voltage, in the shape of recurrent saw teeth (460, 463) which are triggered by the leading edges of the line return pulses, to an analog voltage comparator stage (469, 4600, 4601), which supplies at its output negative pulses to the base of the transistor (483) in multivibrator (48) whose cutting off controls the cut off of chopper transistor (11) at instants at which the instantaneous saw tooth amplitude exceeds a fixed threshold voltage (VZ 4601), and by the fact that the regulator stage (47) contains an assembly (470, 471) rectifying the signal supplied by the auxiliary winding (25) which feeds a signal generator (476, 475) supplying a signal which modifies, from a predetermined threshold, the saw tooth slope as a function of one of the peak amplitudes or peak to peak amplitudes of this signal (v25).
7. A power supply device as in claim 6, of the type in which the free running operating frequency of the unstable multivibrator (48) is less than the line frequency, characterized by the fact that the unstable multivibrator (48) is controlled solely by the negative pulses coming from the comparator stage (469), which are applied to one (483) of the transistors in the multivibrator (48), whose cut off controls that of chopper transistor (11).

8. A power supply device as in one of claims 4 to 6, of the type in which the free running operating frequency of the unstable multivibrator (48) is greater than the line frequency in order to limit the peak voltage (V19max) on the collector of the chopper transistor (11), characterized by the fact that the transistor (480) in the multivibrator (48), whose state is complementary to that of the chopper transistor (11), is fed on its base through a diode (4803) by a synchronizing stage (49), which supplies negative pulses whose amplitude is equal to a predetermined fraction of that of the line return pulses, in order to lengthen the cut off state of this transistor (480) until the sum of these lengths is equal to the line period.
Description:
The present invention concerns a regulated power supply device, in particular for a line sweep circuit in a television receiver, which can also provide D.C. supplies to other circuits in this receiver by splitting up a D.C. supply voltage which is usually obtained by the rectification and filtering of the A.C. mains voltage by means of a chopper.
Known chopper converters of this type contain, generally connected in series between the output terminals of a D.C. power supply source (filtered rectifier), an electronic switch such as a switching transistor operating in the saturated and cut off mode and an inductor which includes the primary winding of a transformer in which at least one secondary winding supplies the A.C. energy obtained by the chopping, which is then rectified to provide the D.C. supply voltages with a ground insulated from the mains. In most of the known chopper power supplies, one can vary the output voltages by action on the cyclic ratio, i.e. the length of the saturated (closed) state of the switch, for example, by controlling periodically the transistor-chopper by means of a monostable flip-flop of variable length as a function of a voltage which may be picked up at the output of a rectifier fed by a secondary winding of the transformer so as to form a regulation loop.
Chopper power supplies have frequently been used in television receivers to eliminate the bulky and heavy mains supply transformer and make possible a regulation of the D.C. power supply voltage for this receiver. They have often been combined in particular at the output stage of the horizontal sweep circuit which supplies them with a pulse signal at the line frequency that can be used to control the chopping. Various combinations of sweep circuits and chopper power supplies have described, for example, in the French patents or patent applications with publication Nos. 2.040.217, 2.060.495, 2.167.549, 2.232.147 or 2.269.257, in which the regulation is also done by means of the variation in the cyclic ratio of the saturated and cut off states of the chopper transistor which, in some cases, is also used as the active element of the (final) output stage of the line sweep circuit or of the feeder stage which controls this circuit.

Chopper power supplies of the so called "pump" type in which the chopper transistor feeds one of the windings of the line transformer during the line return periods and in which the regulation is done by means of the variation of the internal resistance of this transistor or of a "ballast" transistor in series with this transistor are known, for example, from the French patents with publication Nos. 2.014.820, 2.025.365 or 2.116.335. A circuit of the "pump" type whose chopper transistor has a winding of the line transformer in its collector circuit and in which the sweep circuit is electrically insulated from the mains has been described in the article by Peruth and Schrenk in the German periodical, SIEMENS BAUTEILE REPORT Vol. 12 (1974), No. 4, pages 96-98. Its structure corresponds to the contents of the introduction to claim 1. In circuits of the "pump" type, the chopper transistor or the "ballast" transistor in series with it dissipates an amount of energy which is not negligable.
In the chopper device supplying power to the output stage of the line sweep circuit with which it is combined in accordance with the invention, one no longer uses regulation by variation of the internal resistance or of the length of the saturated state of the chopper transistor (or by variation of the cyclic ratio of the chopping with a constant periodicity) but one does the regulating by variation of the relative phase between the signals of the same frequency which are supplied respectively by the chopper circuit with a constant cyclic ratio and by the output stage of the line sweep, each of which is connected to one of the windings of a transformer called the line transformer through which the transfer of energy between the chopper circuit and the sweep output stage takes place as well as in the direction of the other secondary windings of the line tranformer such as the very high tension (V.H.T.) winding.
In accordance with the invention, a regulated power supply device, in particular for a line sweep circuit of a television receiver which contains an output stage fitted with a line transformer in which a first winding is connected in series with a s

In accordance with a preferred way of making the invention, a power supply device in accordance with the preceding paragraph, in which the s
The invention will be better understood and others of its characteristics and advantages will appear from the description which follows, which is given as an example, and the drawings attached, which refer to it. Among them:
FIG. 1 represents part of a theoretical schematic diagram of a chopper power supply device combined with the output stage of the line sweep circuit in accordance with the invention;

FIG. 4 represents part of a synoptic schematic diagram of a simple production model (without a starter device) of regulation circuit 40 in FIG. 1;
FIG. 5 represents a block diagram of a preferred production model of regulation circuit 40 in FIG. 1 in accordance with the invention;

FIGS. 7a and 7b represent voltage wave forms illustrating the slaving of the frequency of the unstable multivibrator 48 to that of the line oscillator; and
FIGS. 8a-8c represent voltage wave forms illustrating the operation of the regulation by the variation in phase shift.
In FIG. 1 is shown schematically a chopper power supply device of line sweep output stage 30 in accordance with the invention which is electrically insulated from the A.C. mains which feed rectifier 5 whose output voltage is chopped. This power supply device has two terminals 1, 2 which are connected respectively to the two poles of the A.C. distribution mains (220 V, 50 Hz) and feed rectifier diode 3 and filter capacitor 4, whose capacity is high, which are connected in series and form together a rectifier assembly or a source of D.C. voltage 5. The output of rectifier assembly 5 formed by the two terminals 6 and 7 (plates) of the (electro-chemical) capacitor 4 is intended to supply a D.C. power supply voltage V A of the order of 300 V to chopper circuit 10. This chopper circuit 10 contains a controlled, bidirectional electronic switch 15, which consists of a switching transistor 11 of the NPN type connected with its emitter common and a junction semiconductor diode 12, which are connected in parallel in such a way as to conduct respectively in opposite directions (anti-parallel), and an inductor 16 consisting of a choke 14 and a winding 21 of a transformer 20, called a line transformer, connected in series. This winding 21 of line transformer 20 whose primary winding is normally connected in parallel with the coils of the horiziontal deviation circuit in the circuit of line sweep output stage 30 to the supply, through secondary windings, supply voltages in particular to the cathode ray tube will be called in what follows the supply voltage winding, because the transfer of energy between chopper circuit 10 and output stage 30 will be done through it. Switch 15 is mounted in parallel with a capacitor 13 and it is connected in series with inductor 16 (choke 14 and power supply winding 21 in series) between the out

Switching transistor 11 is here connected by its collector to one of the terminals of inductor 16, whose other terminal is connected to positive terminal 6 of source 5 which supplies D.C. power supply voltage V A , by its emitter to negative terminal 7 of source 5, which forms a ground, called the primary or hot ground, 8, which is connected to the A.C. mains but is insulated from that 39 of the television set. The base of transistor 11 is controlled by means of rectangular signals supplied by a regulation circuit 40, which is described further on, in such a way as to be alternately saturated and cut off. Regulation circuit 40 is, for example, fed by a secondary winding 25 of transformer 20, that supplies signals whose peak to peak amplitude is proportional to the peak amplitude of the line return pulse. This peak amplitude is a function of the energy transfer from chopper circuit 10 to the line sweep output stage 30 which is connected to another winding 22 of transformer 20.
One may note here that chopper circuit 10 resembles a classical, transistorized, line sweep output stage and that switching transistor 11 has been chosen to withstand high collector-emitter voltages (of the order of 1500 V), and that diode 12 has to withstand the same inverse voltage while switch 15 is open. One may also note that the inductance of choke 14 may be formed partly or wholly by the leakage inductance of power supply winding 21 in transformer 20.
The line sweep output stage 30, which is arranged in classical fashion, contains horizontal deviation coils 31 mounted in parallel and connected by one of their terminals to a first capacitor 32, called the "forward" or "S effect" capacitor, which feeds them during the forward sweep. The series mounting of coils 31 and forward capacitor 32 is connected in parallel, on the one hand, to a second controlled bidirectional switch containing a second switching transistor 36 and a second diode 35, called a "shunt" or "parallel" recuperation diode, which are connected in parallel to conduct in opposite directions, closed (conductor) during the forward sweep and open (cut off) during the return sweep, and, on the other hand, to a second capacitor 34, called the "return" capacitor, which forms, while the second switch is open, a parallel resonant circuit with the inductance of deviation coils 31. The common point of the collector of second transistor 36, of the NPN type, of the cathode of second diode 35 and return 34 and forward 32 capacitors is connected to one of the terminals 220 of winding 22 of transformer 20, which normally forms the primary winding of this transformer. The other terminal 221 of winding 22 is connected to one of the terminals of a third capacitor 33 of high capacity, whose other terminal is connected to the common point of deviation coils 31, return capacitor 34, the anode of second diode 35 and the emitter of second transistor 36, which is also connected to the ground 39 of the chassis of the television receiver, called the "cold" ground, because it is insulated from the A.C. power supply mains. It is at the terminals of this third capacitor 33 that one obtains the D.C. voltage feeding this stage, whose value determines, on the one hand, the peak to peak amplitude of the line sweep current of sawtooth form and, on the other hand, the amplitude of the line return voltage pulse which, when rectified after being transformed, supplies the very high voltage that polarizes the anode of the cathode ray tube (not shown here). The second transistor 36, also a switching transistor, is controlled by rectangular shaped signals supplied to input terminals 37 and 38 of stage 30, which are respectively connected to its base and its emitter, by a feed stage (not shown and called a "driver" in anglo-american literature) so that it is alternately cut off, during the sweep return, and saturated, during the second part of the forward sweep.
In classical transistor line sweep circuits, a D.C. voltage source generally feeds either terminal 221 of winding 22 directly or an intermediate connection to this winding through a diode (see French Pat. Nos. 1.298.087 dated Aug. 11, 1961, 1.316.732 dated Feb. 15, 1962 or 1.361.201 dated June 27, 1963) which isolates the primary winding of the line transformer from the D.C. voltage source during the line return interval.

In FIG. 1, line transformer 20 also has a very high voltage winding 23, one terminal 230 of which may be connected to the ground 39 (or to terminal 220 of winding 22) and whose other terminal 231 is connected to the input of the very high voltage rectifier assembly or voltage multiplier (not shown) in classical fashion, and an auxiliary winding 24 which may be used to feed either a low voltage rectifier assembly or a load regulator assembly or the filament of the cathode ray tube (not shown). These secondary windings 23, 24 will receive their energy mainly from output stage 30 of the line sweep circuit through winding 22 of transformer 20, i.e. the line return pulses, the coupling between the windings will hence be as close as possible.
The operation of the power supply device in FIG. 1 will be explained below with that of output stage 30 of the line sweep circuit, with reference to FIGS. 2 and 3 of the drawing attached, representing diagrams of the voltage wave forms and/or current wave forms at various points in the schematic diagram of FIG. 1.

The wave forms of diagrams (D) and (E) in FIGS. 2 and 3 are out of phase respectively, one with respect to another, by a quarter of a line period T H /4 to allow the illustration of the regulation by the variation in the relative phase of the voltage v 21 and current i 21 waves in power supply winding 21.
The diagrams (F) represent the instantaneous energy E i transmitted by chopper circuit 10 to the output stage 30, which is equal to the product of the wave forms of current i 21 (t) and voltage v 21 (t) in winding 21, i.e. E i =-v 21 i 21 , for two different phase deviations between the voltage v 21 (t) and current i 21 (t) waves in power supply winding 21, which correspond respectively to a zero energy transfer in FIG. 2 and a maximum energy transfer in FIG. 3.
The operation of the line sweep output stage 30 is classical once the power supply capacitor 33 and forward capacitor 32 are charged to a D.C. voltage V 221 by means of a certain number of chopping cycles, which are independant on starting up, during which the negative half-cycles of the chopped voltage wave are rectified by recuperation diode 35.
During the forward sweep intervals t A , when the switch 35, 36 is closed from instant t 1 to instant t 3 , the current i 31 (see A) in the deviator varies roughly linearly between its negative peak values (at t 1 ) and positive ones (at t 3 ) with a passage through zero at instant t 2 , when current i 31 passes from diode 35 to transistor 36, which has previously been polarized to conduct. This corresponds to a roughly zero voltage v 220 (see B) at the terminals of switch 35, 36.
The line return interval t R is started by the cutting off of transistor 36 at instant t 3 , and the inductance of deviator 31 then acts as a parallel resonant circuit with the return capacitor 34 by causing the voltage v 220 (t) to pass through a positive half-sinusoid and reach its peak value at the instant t 4 (or t=0), called the line return pulse, and the current i 31 (t) to pass through a half-cosinusoid between the positi

The respective peak to peak amplitudes of current i 31 (t) (hence the width of the screen sweep beam excursion) and of voltage v 220 (t) (hence the very high voltage) depend on the value of the D.C. voltage V 221 which feeds the horizontal sweep output stage and which, in most of the chopper power supplies of preceding techniques, is regulated and stabilized by modulating the length of the saturated state (the cyclic ratio) of chopper transistor 11 as a function of the amplitude of the line return pulse picked up on an auxiliary winding of line transformer 20 (hence of the voltage at the terminals of capacitor 33) and later of the rectified and filtered voltage in the network.
In accordance with the invention, the length t s of the saturated state of chopper transistor 11 and of the conducting state of diode 12 and, as a result, the ratio of this length to that of the complete cycle (line period T H ) or to that t B of the cut off state is constant and so chosen as to make the peak amplitude of voltage pulse v 19 , which is applied to the collector of transistor 11 during the cut off interval t B , considerably less than its collector-emitter D.C. breakdown voltage in the cut off state (V CEX ) which may exceed 1500 Volts. Thus, for a rectified voltage of 300 V, it is possible to limit the collector voltage V 19 to about 900 Volts by choosing a ratio t b /T H of about 0.5.
As a result, chopper circuit 10 must operate at the line frequency with conduction lengths t S (closed) and cut off lengths t B (open) of switch 15 preferably roughly equal (to a line half-period T H /2) and the regulation of the energy supplied to output stage 30 is done by causing the respective phases of the line return pulse v 220 (t) and the current i 21 (t) flowing through the power supply winding 21 of transformer 20 to vary as will be shown further on.
The operation of chopper circuit 10 (fed with D.C. voltage V A ) is in fact analogous to that of output stage 30, except as far as the form factor is concerned. This is determined mainly by the respective values of the inductance 16 (of choke 14 and the leakage inductance of winding 21 of transformer 20 connected in series) and of the capacity of tuning capacitor 13. The values L 16 and C 13 are chosen to obtain a half-period of oscillation slightly less than a line half-period, i.e.: ##EQU1## because the oscillation of the resonant circuit L 16 , C 13 occurs on one side and on the other of the D.C. voltage V A so that the cut off period of chopper switch 15 is greater than this half-period T D /2.
This operation of circuit 10 will first be explained with reference to diagrams D and E in FIG. 2. When, at the instant t=0, transistor 11 becomes saturated by a preliminary positive polarization of its base-emitter junction, it connects terminal 19 to ground 8 so that a current i 16 (t) (dotted on diagram E), which is increasing linearly, ##EQU2## passes through inductor 16 coming from positive terminal 6 of power supply 5.
When transistor 11 receives from regulation circuit 40 a cut off voltage at an instant preceding instant t 6 of the storage time of minority charge carries, switch 15 opens and the current stored in inductor 16, i 16 (t 6 )=V A t 6 /L=V A T H /4L, will flow through tuning capacitor 13 in oscillatory fashion, i.e. cosinusoidally, decreasing to a zero value, while voltage V 19 at junction 19 of inductor 16 and capacitor 13 will increase sinusoidally to a maximum value, these two values coinciding in time. Then, capacitor 13 discharges through inductor 16 also in oscillatory fashion until, at instant t 7 , voltage v 19 reaches a zero value, which corresponds to a minimum value, i.e. maximum negative, of current i 16 (t) whose absolute value is slightly less than the maximum positive value i 16 (t 6 ). The difference between the absolute peak values i 16 (t 6 ) and i 16 (t 7 ) is explained, on the one hand, by the ohmic losses in circuit 10 and, on the other, by the transfer of energy between this circuit and, in particular, output stage 30.
When oscillatory voltage v 19 (t) has exceeded the zero value slightly in the negative direction, diode 12 starts to conduct so as to connect terminal 19 to ground and produce in inductor 16 a current i 16 (t), which increases linearly from its maximum negative value i 16 (t 7 ) towards a zero value where transistor 11, which has already been polarized so as to be saturated, picks it up so that it reaches, at instant t 8 , its maximum positive value of instant t 6 again.
It is to be noted here that the mean value of the wave form of voltage v 19 at terminal 19 is equal to the D.C. power supply voltage V A between terminals 6 and 7 of filter capacitor 4 in rectifier assembly 5.
If one wishes to obtain an adequate energy transfer between chopper circuit 10 and line sweep output stage 30, it is advantageous to choose the value of inductor 16 in series with power supply winding 21, i.e. the sum of the leakage inductance of this winding and that of series choke 14, so that it is, for example, greater than or equal to three times the inductance L 31 of the horizontal deviation coils 31, multipled by the square of the transformation ratio between windings 22 and 21, i.e. L 16 ≥3l 31 (n 11 /n 21 ) 2 , and the value of this transformation ratio n 22 /n 21 so as to obtain at the terminals of winding 21, during the forward sweep and the closing of switch 15, an induced voltage v 21 (t) whose amplitude is between 100 and 150 Volts, i.e. between a third and a half the power supply voltage V A at terminals 6, 7 of filter capacitor 4.
As the D.C. voltage V 221 at the terminals of capacitor 33 is a function of the inductance L 31 of the horizontal deviation coils 31 and, because of this, is between 50 and about 140 Volts, the transformation ratio n 22 /n 21 , i.e. between the numbers of turns n 22 and n 21 of windings 22 and 21 respectively, is between 1 and about 4 (preferably between 2 and 3).
The choice of these parameters is only given here as an example, because the criterion of this choice is a relative separation between chopper circuit 10 and, in particular, circuit 30 which it feeds, i.e. so that current i 21 (t) in winding 21 is only induced in winding 22 with peak amplitudes which do not exceed about one third those of sweep current i 31 (t) in order not to upset the operation of sweep circuit 30 during the conduction of recuperation diode 35. Also, the voltage pulses v 19 (t) of the diagrams (D) in FIGS. 2 and 3 should not appear at the terminals of winding 21 and should not be transmitted to winding 22 at least during the opening of sweep switch 36, 35 (line return interval) to winding 22 other than with amplitudes sufficiently small not to upset the operation of output stage 30 and the very high voltage rectifier fed by winding 23, while ensuring an energy transfer sufficient to obtain a regulated power supply voltage at the value required.
Transformer 20 may therefore be made in such a way as to have looser coupling between windings 21 and 22, the self-inductance then consists of that (L 14 ) of choke coil 14 and the leakage inductance (L 21 ) of winding 21. Hence it is advantageous, when one uses a

One may consider then that, from the point of view of the energy transfer from chopper circuit 10 to output stage 30, winding 21 is passed through by current i 21 , which consists of triangular shaped current i 16 and the current in winding 22, which is induced in saw tooth form, superimposed one on the other and that voltage v 21 , which appears at its terminals and is shown in diagrams (C) of FIGS. 2 and 3, is roughly analgous to that, v 220 , at the terminals of sweep switch 35, 36 but with a mean value of zero.
The energy transmitted by transformer 20 will then be approximately equal to the product of voltage v 21 (t) and current i 21 (t) multiplied by the cosine of the phase angle if one considers the fundamental waves at the line frequency (15.625 Hz). This is also true for each of the harmonics of the current i 21 (t) and voltage v 21 (t) waves if one develops them in a Fourier series.
The energy ceded duuring each line period T H by chopper circuit 10 output stage 30 through transformer 20 may then be written: ##EQU3## In inductor 16, as a first approximation, current i 21 (t) in a sum of an A.C. component i A (t) and a D.C. component I c and, considering that the losses of chopper circuit 10 itself are negligable, that the mean value of voltage v 21 is zero and that the D.C. component I c of i 21 does not take part in the energy transfer, one may write that the energy supplied by the D.C. source during this period E s =V A I C T H and the A.C. energy supplied by chopper circuit 10, ##EQU4## are roughly equal, i.e. ##EQU5## from which it appears that there is a mean D.C. current ##EQU6## supplied by source 5 which is a consequence of the exchange of energy between winding 21 and winding 22 in particular. The A.C. energy ceded, E H , and, as a result, the D.C. current I c of source 5, varies as a function of the cosine of the phase angle α between each of the respective harmonics of the current i 21 (t) and voltage v 21 (t). Hence one can obtain regulation by causing the phase of the wave of current i 21 (t) to vary in power supply winding 21 with respect to that of voltage v 21 (t) at its terminals to stabilize the sweep (the peak to peak amplitude of current i 31 ) and/or the very high voltage by acting on the charge supplied to capacitor 33 during each cycle.

On the diagram (F) in FIG. 2, one can see that, when there is a phase difference between the corresponding (positive) maxima of v 21 (t) and i 21 (t) of a quarter of a line period (T H /4) roughly, the energy transfer is zero, because there is equality between the surfaces bounded by the curve and the abscissa, which are respectively above and below it and give a mean value of zero as far as the energy supplied is concerned.
On the other hand, on the diagram (F) in FIG. 3 in which the product-v 21 (t)i 21 (t) corresponds to a coincidence of phase between the respective maxima of voltage v 21 and i 21 , one can see that, when one subtracts from the surfaces above the abscissa the surfaces corresponding to the shaded triangles below it, three zones remain on the positive side whose surfaces correspond to the energy which is effectively transferred whose mean value ##EQU7## is positive and shows an effective transfer of energy to output stage 30. This translates into a D.C. voltage V 33 at the terminals of capacitor 33 which forms, during the forward sweep (closing of switch 35, 36), the sole load on winding 22 (terminal 220 being connected to the ground 39).
Hence, one has shown above that, by causing the phase difference between the corresponding maxima of waves v 21 (t) and i 21 (t) to vary between 0 and T H /4, one can cause the energy transmitted to vary and, as a result, the voltage V 221 at the terminals of capacitor 33 which feeds output stage 30.
When the relative phase difference between v 21 (t) and i 21 (t) exceeds a quarter of a line period, as, for example, when the negative peak amplitude of v 21 (t) coincides with the negative peak amplitude of i 21 (t), i.e. a phase difference equal to a line half period (T H /2), the term of the energy E H becomes negative which indicates that it is output stage 30 which feeds chopper circuit 10, or, more precisely, voltage source 5 (capacitor 4). This is not permanently possible unless it is output stage 30, and hence capacitor 33, which is fed by a rectifier assembly, thus showing the reversibility of the power supply device in accordance with the invention, which is contrary to classical chopper power supplies.
Hence, the regulation is done by causing the phase of the opening of switch 15 in chopper circuit 10 to be varied by the cutting off of transistor 11 with respect to the phase of the opening of sweep switch 36, 35, which is controlled by the line oscillator (not shown) and is generally slaved in frequency and phase to the line synchronizing pulses of the video complex signal.
Such a variable phase delay is obtained from line return pulses picked up on one of the windings of transformer 20, such as winding 21 itself or, as shown in FIG. 1, auxiliary winding 25. These pulses may trigger a monostable flip-flop whose length is variable as a function of the error voltage supplied by a comparator in the form of a differential amplifier, one of whose inputs receives a voltage corresponding either to the positive amplitude of v 21 (t), which is proportional to the voltage V 33 (V 221 ) at the terminals of power supply capacitor 33 in output stage 30, or to the peak to peak amplitude of the line return pulse, which is proportional to the very high voltage, or to a combination of these two criteria. The other input of the differential amplifier receives a D.C. reference voltage, which may be adjusted, to allow the adjustment of the very high voltage and/or the horizontal sweep current amplitude.
It is to be noted here that power supply winding 21 may be connected between terminal 6 of capacitor 4 and choke 14 in two opposite directions so that the line return pulses can appear at its junction with choke 14 with opposite polarities. Two possibilities of the relative phase of voltage v 21 (t) respect to the current i 21 (t) in winding 21 result from this.
In FIG. 4, one has shown a par

Regulation circuit 40 in FIG. 4 is fed at its first input 401 with signal v 25 (t) supplied by one of the terminals 250 of auxiliary winding 25. This signal is roughly the reverse of signal v 21 (t) illustrated by the diagrams (C) respectively in FIGS. 2 and 3 in which one distinguishes, during each line period, a line return pulse of positive polarity and a negative plateau whose amplitude is proportional to D.C. voltage V 33 at the terminals of capacitor 30. This first input 401 feeds, through a first diode 410, the triggering input 411 of a first monostable flip-flop 41 of variable length, which produces at its output 413, in response to the leading edge of the return pulse, a rectangular signal whose length varies as a function of the D.C. voltage applied to its length control input 412.
Monostable flip-flops with a pulse length variable as a function of a D.C. voltage are known and a way of making them is described, for example, in French patent application No. 73.16116 made on May 4, 1973 by the present applicant.
This D.C. voltage controlling pulse length is obtained by means of a rectifier assembly 42, which is also fed by this first input 401 and contains a second diode 420 so connected as to conduct only while signal v 25 (t) is negative, a capacitor 421 in series with diode 420 which stores the negative peak values of v 25 (t), a resistive potentiometric divider assembly 422, 423 mounted in parallel with capacitor 421 and a polarity reverser 424 fed by the centre point of divider 422, 423 and supplying a positive voltage of the same level in reply to a negative input voltage, the respective terminals of capacitor 421 and divider 422, 423, which are not connected to diode 420, being connected together to primary ground 8.
The positive voltage proportional to V 33 supplied by reverser 420 feeds a first input 431 receives a stabilized reference voltage, for example, by means of an assembly 44 fed with the mains voltage V 6 , rectified and filtered, through a second input 402 of circuit 40. This assembly 44 contains a resistor 440 and a Zener diode 441 connected in series between the input 402 and primary ground 8 and it supplies, by means of a resistive divider assembly 442, which may be adjustable and is connected in parallel with Zener diode 441, the reference voltage to input 432 of comparator 43. The output 433 of comparator 43, which is connected to the control input 412 of the first monostable flip-flop 41, supplies it with a voltage proportional to the difference between the voltages which are applied respectively to its inputs 431 and 432 so as to cause the delay in the cut off of chopper transistor 11 to vary with respect to that of sweep transistor 36 (FIG. 1) in order to stabilize the D.C. power supply voltage V 33 of output stage 30.
The leading edges of the pulses supplied by output 413 of flip-flop 41 coincide roughly with those of the line return pulses and their rear or falling edges, which occur with variable delays with respect to the leading edges, are used to trigger, eventually through an inverter stage 450, a second monostable flip-flop 45 whose output feeds the base of chopper transistor 11 to cut it off. This second monostable flip-flop 45 supplies this base with negative rectangular signals at the line frequency, of constant length, which is greater than the half period of oscillation of resonant circuit 13, 15 and hence the half period (>T H /2) and less than three quarters of this same period (<3T H /4) so as to allow transistor 11 to accept the current i 16 (t) flowing through inductor 16 when the current in diode 12 disappears.
FIG. 5 is a block diagram of a preferred production model of a regulation circuit 40 (in FIG. 1) controlling transistor 11 of chopper circuit 10 in accordance with the invention.
In FIG. 5 regulation circuit 40 has an input 401 connected to one of the terminals of auxiliary winding 25 of line transformer 20 which feeds in parallel a first control input 461 of a phase shift stage 46, the input of a regulator stage 47 and, finally, the input of a synchronizing circuit 49. The output of regulator stage 47 feeds a second regulation input 462 of phase shift stage 46, these two stages 46, 47 forming together a variable delay generator. The output of phase shift stage 46 feeds a first triggering input 481 of an unstable multivibrator 48 whose second synchronizing input 482 is fed by the output of synchronizing circuit 49. This synchronizing circuit 49, whose operation will be described further on, is only necessary if the free running oscillation frequency of multivibrator 48 is greater than the line frequency. If this is not so, multivibrator 48 is synchronized in classical fashion by the triggering pulses applied to its input 481. The output of unstable multivibrator 48 feeds the input of a driver or control stage 50 formed by an amplifier. The output of control stage 50 (called a "driver" in anglo-american litterature), which is connected to output 402 of regulation circuit 40, feeds the base of transistor 11 in chopper circuit 10.
Auxiliary winding 25 supplies to input 401 of the regulation circuit a voltage wave form containing the line return pulses with a negative polarity, for example, similar to that shown in the diagrams (C) of FIGS. 2 and 3. These line return pulses, when applied to input 461 of phase shift stage 46 or the delay generator, control the triggering of a signal generator which supplies a voltage in the form of a positive saw tooth that is applied to one of the inputs of a voltage comparator stage whose other input is fed with a fixed reference voltage and which switches from its "high" state to its "low" state when the amplitude of the saw tooth voltage exceeds the value of the reference voltage. Regulation stage 47 also receives the line return pulses, rectifies them and transmits to regulation input 462 of phase shift stage 46 a signal in the form of a current which enables the slope of the saw tooth to be modified as a function of the amplitude of the line return pulse which is a function of the D.C. voltage at the terminals of power supply capacitor 33 (FIG. 1) in output stage 30. To obtain regulation of voltage V 33 , the phase shift must increase with the value of this voltage to regulate the transfer of energy between circuits 10 and 30. As a result, the slope of the saw tooth must decrease with the increase in amplitude of the return pulse. The comparator stage of phase shift circuit 46 feeds triggering input 481 of unstable multivibrator 48 to trigger it with a variable phase shift with respect to the leading edge of the return pulse, which corresponds to the energy transfer desired. Unstable multivibrator 48 is, preferably, synchronized in frequency with line sweep output stage 30 in a way which will be explained later by means of synchronizing circuit 49 which feeds its synchronizing input 482. The output of multivibrator 48 feeds the input of driver stage 50 for chopper transistor 11.
To enable the chopper circuit 1

FIG. 6 is a theoretical schematic diagram of the preferred production model of regulation circuit 40 whose block diagram was shown in FIG. 5.

In FIG. 6, power supply voltage source 51 of regulation circuit 40 contains a rectifier assembly 52 of the voltage doubler type operating on a half wave with two diodes 521, 522 in series. The first diode 521 is connected by its anode to the second terminal 2 of the supply from the mains, which is connected to the primary ground 8 and by its cathode to the anode of the second diode 522 whose cathode is connected to the positive plate of a first chemical filter capacitor 523. The negative plate of the first filter capacitor 523 is connected to the anode of the first diode 521 and hence also to primary ground 8. The junction of the cathode of first diode 521 and the anode of second diode 522 is coupled to the first terminal 1 of the power supply from the mains through a coupling capacitor 520 which transmits to the rectifier assembly 52 the mains voltage and whose capacity is chosen as a function of the D.C. voltage desired (the voltage drop at the terminals of this capacity 520 of the order of a few microfarads makes it possible to obtain a rectified and filtered voltage of about 15 Volts). The junction of the positive plate of first filter capacitor 523 is connected to the positive plate of a second filter capacitor 524 through a resistor 525, the negative plate of this second capacitor 524 being connected to primary ground 8. The positive terminal of this second capacitor 524 supplies a first rectified and filtered voltage V F , on the one hand, through the first output terminal 510 of source 51 to the first positive power supply terminal 404 of regulation circuit 40 and, on the other hand, to a stabilizing assembly 53 containing in series a resistor 531 and a Zener diode 530 whose anode is connected to primary ground 8. The junction of resistor 530 with the cathode of Zener diode 530 is connected to the second output 511 of source 51, which supplies a second regulated voltage V R that feeds the second power supply input 403 of regulation circuit 40.
The first power supply input 404, which supplies a first voltage V F (15 V) that is higher than the second regulated voltage V R (5 V), only feeds control stage 50 of chopper transistor 11. Control stage 50 contains in series a phase shift stage 500 (called a "phase splitter" in anglo-american litterature) and an output stage 550 of the "series push-pull" type often used in integrated logic circuits of the TTL type. Phase splitter 500 contains a first NPN transistor 501 whose collector is connected through a collector resistor 502 to the first power supply input 404 and whose emitter is connected through an emitter resistor 503 to primary ground 8 through the third power supply terminal 405 of circuit 40. The base of transistor 501 is connected to the output of unstable multivibrator 48 through a diode 504 and to the second power supply input 403 through a polarizing resistor 505. Output stage 550 contains a second and third NPN transistors 551 and 552. The collector of the second transistor 551 is connected through a resistor 553 to the first power supply input 404, its base being connected to the collector of the first transistor 501. The emitter of the second transistor 551 is connected to the anode of a diode 554 whose cathode is connected to the collector of the third transistor 552. The base of the third transistor 552 is connected to the emitter of the first 501 and its emitter, through the third power supply terminal 405, to primary ground 8. The junction of the cathode of diode 554 with the collector of third transistor 552 is connected to the cathode of a Zener diode 555 and to the positive plate of a chemical capacitor 556, mounted in parallel to form a "battery" which facilitates the cutting off of switching transistor 11. The other terminal of the parallel assembly 555, 556 is connected, through an inductor 557 (choke) to the output 402 of regulation circuit 40, which feeds the base of switching transistor 11.
Control stage 50 is controlled by an unstable multivibrator 48 of the symmetrical type containing two NPN transistors 480, 483 mounted with their emitters common, i.e. with their emitters connected through the third power supply terminal 405 to primary ground 8. The collectors of the two transistors 480, 483 are connected respectively to the second power supply input 403, which receives the stabilized voltage V R , through two collector resistors 484, 485. The bases of the two transistors 480, 483 are connected respectively by means of two polarizing resistors 486, 487 also to the second power supply input 403. The base of first transistor 480 is also coupled to the collector of second transistor 483 through a first capacitor 488 and the base of second transistor 483 is coupled to the collector of the first 480 through a second capacitor 489. The respective values of the polarizing resistors 486, 487 and of the mutual coupling capacitors 488, 489 (crossed) of the two stages mounted with their emitters common determine, with the value of the stabilized power supply voltage V R , the lengths of the half periods of relaxation of multivibrator 48 whose sum (60 μsec) is chosen, preferably, less than that of a line period (64 μsec).
In the absence of line return pulses coming from the line swee

When the second transistor 483 of multivibrator 48 has switched from its saturated to its cut off state, its collector voltage is equal to the stabilized voltage V R and diode 504 cuts off. The base of first transistor 501 in control stage 50 is then connected to the second power supply input 403 (+V R ) through resistor 505, which causes it to saturate. Then the emitter current of this first transistor 501 feeds the base of the third transistor 552 which also becomes saturated while the second transistor 551, whose base is at a voltage (V CEsat 501 +V BE 552), which is roughly equal to that of its emitter (V F 554 +V CEsat 552), cuts off. The saturation of the third transistor 552 first brings the base of chopper transistor 11 to a negative voltage with respect to its emitter V BE 11 =-V Z +V CEsat 552 so as to cut it off rapidly by a rapid evacuation of the minority carriers in its base, this voltage V BE 11 then tending asymptotically to zero because the capacitor 556 discharges through resistor 19 and the third transistor 552 saturated. Chopper transistor 11 will remain cut off during the whole half period of oscillation of the resonant circuit L 16 , C 13 and will only accept the current of diode 12 afterwards if it is already positively polarized on its base by the switching of multivibrator 48 to the state in which its second transistor 483 again becomes saturated so as to cut off first transistor 501 and again saturate second transistor 551 in control circuit 50.
The alternate cut off and conduction of bidirectional switch 15 causes the appearance at terminal 19 of recurrent half sinusoids of voltage, shown by the diagrams (D) in FIGS. 2 and 3, a fraction of which is also present at the terminals of power supply winding 21 of line transformer 20, from where they are transmitted with a phase inversion (polarity) but without a D.C. component to winding 22 of line sweep output stage 30. The negative half cycles of its wave forms on terminal 220 of the winding are then rectified by the parallel ("shunt") recovery diode 35 whose current charges power supply capacitor 33 until the voltage V 33 on terminal 221, which feeds the whole of the line sweep circuit, is sufficient for the line oscillator (which is not shown) to start oscillating independantly, so as to control, through the driver stage (not shown), switching transistor 36 in output stage 30. Line sweep output stage 30 then starts to supply, at the terminals of winding 22 of line transformer 20, line return pulses v 220 (t), which are illustrated by the diagrams (B) in FIGS. 2 and 3. These pulses are transmitted to auxiliary winding 25 without a D.C. component and with (negative) phase inversion so as to have a wave shape analogous to that of the diagrams (C) in FIGS. 2 and 3, which makes possible first the synchronization of multivibrator 48 with the line oscillator frequency using an original slaving device which will be described further on and then the regulation of voltage V 33 by varying the delay between the leading edges of the line return pulses and the instant when chopper transistor 11 in switch 15 is cut off.
When multivibrator 48 and the line oscillator operate independantly and at different frequencies, this produces a beat because there are random phase variations between the line return pulses, v 220 (t) or v 21 (t), and the wave form of the chopper voltage v 19 (t), so that the energy supplied (or consumed) by chopper circuit 10 to (or from) output stage 30 varies from one cycle to another. This has as visible result a more or less big fluctuation in the amplitude of the line return pulses v 220 (t) which seem to be modulated in amplitude by a sinusoidal signal whose frequency is equal to the difference between that of multivibrator 48 and that of the line oscillator.
If one chooses to synchronize unstable multivibrator 48 in classical fashion soleby by means of periodic control pulses derived from the line return pulses through a variable delay circuit allowing regulation, it is sufficient for the independant oscillation frequency to be less than that of the line oscillator. One then obtains on starting up peak voltages V 19 , which are higher (overvoltages) on the collector of transistor 11 when it is cut off because, in the formula V 19max t B =V Amax T 48A , in which V 19max is the peak amplitude of the collector voltage (on terminal 19), t B the time during which switch 15 is cut off, V Amax the maximum supply voltage supplied by rectifier 5 and T 48A the free running period of multivibrator 48, T 48A being greater than T H . If one accepts this overvoltage V 19max and limits it by a choice of the saturation time t S slightly higher than the cut off time t B1 which is always equal to the half period of oscillation of L 16 and C 13 , it will not be necessary to slave multivibrator 48 before regulation and synchronizing circuit 49 can be omitted.
If, on the other hand, one wishes to avoid the excesses of the collector peak voltage V 19max on starting up, one chooses a free running period T 48A for multiv

This lengthening is done by means of a network 49 containing a diode 490 whose cathode is connected to the input 401 of regulation circuit 40 which receives the line return pulses from winding 25 with negative polarity and no D.C. component. The anode of diode 490 is connected to that of a Zener diode 491 whose cathode is connected to one of the terminals of a first resistor 492. The other terminal of this first resistor 492 is connected, on the one hand through a second resistor 493, to the synchronizing input 482 of unstable multivibrator 48 and, on the other hand through a third resistor 494, to the collector of the second transistor 483 in the multivibrator so that the line return pulse, negative and with its base cut off by Zener diode 491, cannot act on the base of the first transistor 480 during its periods of saturation so as to cut it off at the wrong time.
The process of slaving the frequency of multivibrator 48 by means of the line return pulses is shown by the diagrams of the wave forms in FIG. 7.
In FIG. 7, the diagram A represents the wave form at the terminals of auxiliary winding 25 of the line transformer 20 where line return pulses appear in the form of negative half sinusoids of amplitude V 25 at the line frequency (15.626 Hz). The diagram B shows the wave form of the voltage v BE 480 on the base of the first transistor 480. This wave form contains a first time interval t SA during which chopper switch 15 is conducting and transistor 480 is cut off. This time interval depends solely on the value of the components connected to this base, specifically the resistor 486 and the capacitor 488 and the supply voltage V R for this resistor 484. This wave form also contains a second time interval t B of fixed length during which chopper switch 15 is cut off and transistor 480 saturated. The sum of the intervals t SA and t B represents the period of independent operation T A of multivibrator 48 (of the order of 58 μsec for example).

The process of slaving multivibrator 48 in frequency must of necessity lead to equality of these periods because an inequality gives rise to a variation in the peak amplitude of the line return pulse in a direction which affects the length of cut off time t SA +Δt S of transistor 480 in the opposite direction.
After the slaving of the frequency of unstable multivibrator 48 one can go on to the regulation by varying the phase shift between the respective cut off instants of the sweep transistor 36 and chopper transistor 11 by means of the phase shift 46 and regulator 47 stages in regulation circuit 40, which together form the variable delay generator.
Phase shift stage 46 contains a saw tooth generator which includes a first capacitor 460, one of whose terminals is connected to primary ground 8 while the other terminal is connected to one of the terminals of a first resistor 463 whose other terminal is connected to the second power supply input 403 which receives the stabilized voltage +V R , and a switch, which is intended to short-circuit the first capacitor 460 periodically. This switch contains a first NPN switching transistor 464 whose collector is connected to the junction of first capacitor 460 and first resistor 463, its emitter being connected to primary ground 8 and its base, through a second resistor 465, to the second power supply input 403 and, through a third resistor 466, to the anode of a diode 467, whose cathode is connected to the control input 461 of phase shift stage 46 which receives negative line return pulses from input 401 of circuit 40. The base of first transistor 464 is also coupled to primary ground 8 through a second capacitor 468.
When input 401 of circuit 40 receives a negative line return pulse, diode 467 starts to conduct and its current causes voltage drops at the terminals of resistors 465, 466 in series which brings transistor 464 to cut off by polarizing it negatively. Second capacitor 468 then charges to a negative voltage which will extend the length of the cut off of transistor 464 beyond the disappearance of the line return pulse for a part of the forward sweep period in order to have a sufficient regulation range available.
When the negative return pulse ceases, diode 467 cuts off and second capacitor 468 is charged gradually through resistor 465 to a positive voltage V BE of about 0.7 Volts, at which transistor 464 becomes saturated and discharges first capacitor 460.
During the cut off period of first transistor 464, first capacitor 460 is charged almost linearly through resistor 463 and supplies a voltage of positive saw tooth shape to the base of a second NPN transistor 469, whose collector is connected, through a fourth resistor 4600, to the second power supply terminal 403 (V R =+5 V). The emitter of second transistor 469 is connected, on the one hand, to the cathode of a Zener diode 4601 whose anode is connected to primary ground 8 and, on the other hand, to the second power supply terminal 403 through a fifth resistor 4602 which makes it possible to polarize the emitter of second transistor 469 at a fixed voltage V Z (between 2 and about 3 Volts).
Second transistor 469 forms, with resistors 4600, 4602 and Zener diode 4601, an analog voltage comparator stage which is cut off until the voltage applied at its base exceeds a threshold voltage resulting from the addition of Zener voltage V Z of diode 4601 to the voltage V BEm of about 0.7 Volts at which second transistor 469 saturated.
When second transistor 469 passes from its cut off state to its saturated state, its collector voltage v C 469 changes from V R to V Z +V CEsat . This negative change is transmitted through a coupling capacitor 4603 to the triggering input 481 of unstable multivibrator 48 which is connected, on the one hand, to the cathode of the first diode 4802 whose anode is connected to the base of the second transistor 483 and, on the other hand, to the first terminals of two resistors 4800 and 4801 which form a resistive voltage divider and whose sec

The regulation of the power transmitted by chopper circuit 10 to line sweep output stage 30 is obtained by the variation of the phase shift between the respective cut off instants of the sweep 36 and chopper 11 transistors by means of the regulator stage 47 which causes the charging voltage slope of the capacitor 460 to vary as a function of one of the parameters contained in the line return pulse.
The combined operation of the phase shift 46 and regulator 47 stages will be explained by means of FIG. 8, which illustrates the voltage wave forms at three points of these circuits 46, 47.

Regulator stage 47 contains a diode 470 whose cathode is connected to the input 401 of circuit 40, which receives the negative polarity line return pulses and whose anode is connected to the negative plate of a filter capacitor 471 and to one of the terminals of a resistive voltage divider containing a potentiometer 472 between two resistors 473, 474 in series and to the anode of a Zener diode 475. The cathode of Zener diode 475 is connected, on the one hand, to one of the terminals of a third resistor 477 whose other terminal is connected to primary ground 8 and, on the other hand, to the emitter of an NPN transistor 476 whose base is connected to the slider arm of potentiometer 472 and whose collector is connected to the regulation input 462 of the phase shift stage 46, which is connected to the junction of its first capacitor 460 with its first resistor 463 and the collector of its first transistor 464.
Diode 470 forms with capacitor 471 a rectifier of the negative peaks of the line return pulses, capacitor 471 supplying at its terminals a voltage which is a function of the negative peak amplitude of the line return.
This rectified peak voltage is applied, on the one hand, to the resistive divider assembly, 472-474, so that the slider arm of potentiometer 472 supplies a voltage which is a predetermined adjustable fraction of that voltage and, on the other hand, to the series assembly of Zener diode 475 and resistor 477 which polarizes this diode 475. As soon as the amplitude of the line return pulses exceeds the Zener voltage V Z of diode 475, it is opened up so as to supply at its cathode a voltage equal to the difference between the rectified peak voltage and the Zener voltage V Z . The cathode voltage of Zener diode 475 polarizes the emitter of transistor 476 whose base is polarized by divider assembly 472-474 and which starts to conduct as soon as the fraction of the rectified voltage supplied by the slider arm of the potentiometer is greater than the Zener voltage V Z in absolute value. Transistor 476 then forms a source of constant current proportional to its base-emitter voltage V BE , i.e. to V B -V Z when the latter is positive. The collector current of transistor 476 is therefore a current which discharges capacitor 460 during the intervals when transistor 464 is cut off so as to reduce the slope of the saw tooth voltage at the terminals of capacitor 460. The bigger the negative peak voltage of the line return pulses, the more the collector current of transistor 476 reduces the slope so as to increase the delay time between the leading edge of the line return pulse and the instant of change of the comparator transistor 469 from its cut off to its saturated state.

In diagram (A) in FIG. 8, the first line return pulse is of a relatively small amplitude V 25B which does not cause the conduction of regulation transistor 476. To this corresponds in diagram (B) the steepest slope of the voltage wave v 460 (t) which starts at the instant t 1 of cut off of first transistor 464 in phase shift circuit 46 and the shortest length T B =t 2 -t 1 of this cut off because of the smaller negative charge of capacitor 468. At the instant t 2 , when voltage v 460 (t) becomes equal to V Z +V BEm , it no longer increases because the diode formed by the base-emitter junction of second transistor 469 limits the maximum level of this voltage and transistor 469 becomes saturated. This is illustrated by the diagram (C) in FIG. 8, in which one can see that the collector voltage v C 469 of second transistor 469 contains a negative square wave whose level is equal to V Z +V CEsat and which lasts until the instant t 3 of the opening up of the first transistor 464 which discharges capacitor 460 and, as a result, cuts off second transistor 469.
Because of the small phase delay t RB =t 2 -t 1 produced by the fast rise of the voltage v 460 (t), chopper circuit 10 supplies maxim

This longer delay causes a reduction in the voltage V 33 compared with the preceding cycle in which it was too big and the next line return pulse (the third) will be of an amplitude V 25N greater than V 25B and less than V 25F . It will make it possible to obtain, by means of the corresponding collector current of the regulation transistor 476, a slope in which the rise from a voltage V CEsat near zero to a voltage V Z +V BEm is of a length equal to t RN =t 7 -t 6 . If the slider arm of potentiometer 472 has been so placed that the power supply voltage V 33 makes it possible to obtain a very high voltage for the cathode ray tube (which is not shown) and/or an amplitude of the horizontal sweep current saw tooth corresponding to their respective nominal values, the nominal amplitude V 25N of the line return pulse will be reproduced afterwards in recurrent fashion.
It is to be noted here that one can also use as a regulation criterion the positive amplitude of the signal v 25 (t), i.e. the positive plane whose level is proportional to the power supply voltage V 33 by using an analog phase inverter or another winding of line transformer 20 for example.
One will note also here that the main advantage of the regulation by the phase shift of a chopper circuit operating with a constant cyclic ratio and frequency, compared with that by the variation of one of them, is formed by the fact that the peak voltage applied to the collector of the chopper transistor, when it is cut off, is a function only of the mains voltage.
--------------------------------------------------------------------------------
TDA8140 HORIZONTAL DEFLECTION POWER DRIVER

DESCRIPTION
The TDA 8140 is a monolithic integrated circuit designed
to drive the horizontal deflectionpower transistor.
The current source characteristic of this device is
adapted to the on-linear current gain behaviour of
the power transistor providing a minimum power
dissipation. The TDA8140 is internally protected
against short circuit and thermal overload.
During the active deflection phase the collector
current of the power transistor is linearly rising and
the driving circuitry mustbe adaptedto the required
base current in order to ensure the power transistor
saturation.
According to the limited components number the
typical approach of the present TVs provides only
a rough approximation of this objective ; in Figure 5
wegive a comparisonbetweenthe typical real base
current and the ideal base current waveform and
the collector waveform.
The marked area represents a useless base current
which gives an additional power dissipation on
the power transistor.
Furthermoreduring the turn-ONand turn-OFFtransient
phase of the chassis the power transistor is
extremely stressed when the conventionalnetwork
cannot guarantee the saturation ; for this reason,
generally, the driving circuit must be carefully designed
and is different for each deflection system.
The new approach, using the TDA 8140, overcomes
these restrictions by means of a feedback
principle.

As shown in Figure 5, at each instant of time the
ideal base current of the power transistor results
from its collector current divided by such current
gain which ensure the saturation ; thus the required
base current Ib can be easily generated by a feedback
transconductanceamplifier gm which senses
the deflection current across the resistor Rs at the
emitter of the power transistor and delivers :
Ib = RS . gm . Ie
The transconductance must only fulfill the condition
:
1
1 + bmin V 1
RS
<>
RS
Where bmin is the minimum current gain of the
transistor. This method always ensures the correct
base current and acts time independent on principle.

must be discharged by a quasi linear time decreasing
current as given in Figure 6.
Conventional driver systems inherently result into
a stable condition with a constant peak current
magnitude.
This is due to the constant base charge in the
turn-ON phase independent from the collector current
; hence a high peak current results into a low
storage time of the transistor because the excess
base charge is a minimum and vice versa. In the
active deflection the required function, high peak
current-fast switch-OFF and low peak current-slow
switch-OFF, is obtained by a controlled base discharge
current for the power transistor ; the negative
slope of this ramp is proportional to the actual
sensed current.
As a result, the active driving system even improves
the sharpnessof vertical lines on the screen
compared with the traditional solution due to the
increasedstability factor of the loop representedas
the variation of the storagetime versus the collector
peak current.
TDA8170 TV VERTICAL DEFLECTION OUTPUT CIRCUITThe functions incorporated are :
.POWERAMPLIFIER
.FLYBACKGENERATOR
.REFERENCE VOLTAGE
.THERMAL PROTECTION
DESCRIPTION
The TDA8170 is a monolithic integrated circuit in
HEPTAWATTTM package. It is a high efficiency
power booster for direct driving of verticalwindings
of TV yokes. It is intended for use in Colour and B
&Wtelevision receivers as well as in monitorsand
displays.
GRUNDIG CHASSIS CUC3410 SCHEMATIC DIAGRAM:
No comments:
Post a Comment
The most important thing to remember about the Comment Rules is this:
The determination of whether any comment is in compliance is at the sole discretion of this blog’s owner.
Comments on this blog may be blocked or deleted at any time.
Fair people are getting fair reply. Spam and useless crap and filthy comments / scrapers / observations goes all directly to My Private HELL without even appearing in public !!!
The fact that a comment is permitted in no way constitutes an endorsement of any view expressed, fact alleged, or link provided in that comment by the administrator of this site.
This means that there may be a delay between the submission and the eventual appearance of your comment.
Requiring blog comments to obey well-defined rules does not infringe on the free speech of commenters.
Resisting the tide of post-modernity may be difficult, but I will attempt it anyway.
Your choice.........Live or DIE.
That indeed is where your liberty lies.
Note: Only a member of this blog may post a comment.